elecena.pl

Dual, 8-Bit, 80Msps, Current-Output DAC

Analog Devices

Dual, 8-Bit, 80Msps, Current-Output DAC RSS Sample
  • Darmowa próbka
MPN:
MAX5851
Producent:
ANALOG DEVICES
Dodany do bazy:
Ostatnio widziany:
Zmiana ceny:
-100% (19.01.2025)
Poprzednia cena:
8.00

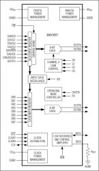
The MAX5851 dual, 8-bit, 80Msps, digital-to-analog converter (DAC) provides superior dynamic performance in wideband communication systems. The device integrates two 8-bit DAC cores, and a 1.24V reference. The converter supports single-ended and differential modes of operation. The MAX5851 dynamic performance is maintained over the entire 2.7V to 3.6V power-supply operating range. The analog outputs support a -1.0V to +1.25V compliance voltage.

The MAX5851 can also operate in interleave data mode to reduce the I/O pin count. This allows the converter to be updated on a single, 8-bit bus.

The MAX5851 features digital control of channel gain matching to within ±0.4dB in sixteen 0.05dB steps. Channel matching improves sideband suppression in analog quadrature modulation applications. The onchip 1.24V bandgap reference includes a control amplifier that allows external full-scale adjustments of both channels through a single resistor. The internal reference can be disabled and an external reference may be applied for high-accuracy applications.

The MAX5851 features full-scale current outputs of 2mA to 20mA and operates from a 2.7V to 3.6V single supply. The DAC supports three modes of power-control operation: normal, low-power standby, and complete powerdown. In power-down mode, the operating current is reduced to 1µA.

The MAX5851 is packaged in a 40-pin thin QFN with exposed paddle (EP) and is specified for the extended (-40°C to +85°C) temperature range.

Pin-compatible, higher speed, and higher resolution versions are also available. Refer to the MAX5852 (8 bit, 165Msps), the MAX5854 (10 bit, 165Msps), and the MAX5853 (10 bit, 80Msps) data sheets for more information. See Table 4.

Applications

* Communications: VSAT, LMDS, MMDS, WLAN, Point-to-Point Microwave Links * Direct Digital Synthesis (DDS) * Instrumentation/ATE * Quadrature Modulation * Wireless Base Stations

* 8-Bit, 80Msps Dual DAC

* Low Power

* 58mW with IFS = 2mA at fCLK = 80MHz

* 2.7V to 3.6V Single Supply

* Full Output Swing and Dynamic Performance at 2.7V Supply

* Superior Dynamic Performance

* 66dBc SFDR at fOUT = 20MHz

* Programmable Channel Gain Matching

* Integrated 1.24V Low-Noise Bandgap Reference

* Single-Resistor Gain Control

* Interleaved Data Mode

* Single-Ended and Differential Clock Input Modes

* Miniature 40-Pin Thin QFN Package, 6mm x 6mm

* EV Kit Available—MAX5852 EV Kit

Elecena nie prowadzi sprzedaży elementów elektronicznych, ani w niej nie pośredniczy.

Produkt pochodzi z oferty sklepu