elecena.pl

Low-Voltage, Quad, Hot-Swap Controllers/Power Sequencers

Analog Devices

Low-Voltage, Quad, Hot-Swap Controllers/Power Sequencers RSS Sample
  • Darmowa próbka
MPN:
MAX5929
Producent:
ANALOG DEVICES
Dodany do bazy:
Ostatnio widziany:

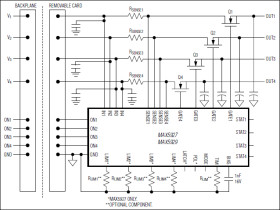
The MAX5927/MAX5929 +1V to +13.2V quad hot-swap controllers provide complete protection for multisupply systems. They allow the safe insertion and removal of circuit cards into live backplanes. These devices hot swap multiple supplies ranging from +1V to +13.2V, provided one supply is at or above +2.7V and only one supply is above +11.0V. The input voltage rails (channels) can be configured to sequentially turn-on/off, track each other, or have completely independent operation.

The discharged filter capacitors of the circuit card provide low impedance to the live backplane. High inrush currents from the backplane to the circuit card can burn up connectors and components, or momentarily collapse the backplane power supply leading to a system reset. The MAX5927/MAX5929 hot-swap controllers prevent such problems by gradually ramping up the output voltage and regulating the current to a preset limit when the board is plugged in, allowing the system to stabilize safely. After the startup cycle is complete, on-chip comparators provide VariableSpeed/BiLevel™ protection against short-circuit and overcurrent faults, and provide immunity against system noise and load transients. The load is disconnected in the event of a fault condition. The MAX5929A automatically restarts after a fault condition, while the MAX5929L must be unlatched. The MAX5927 fault management mode is selectable.

The MAX5927/MAX5929 offer a variety of options to reduce external component count and design time. All devices integrate an on-board charge pump to drive the gates of low-cost external N-channel MOSFETs, an adjustable startup timer, and an adjustable current limit. The devices offer integrated features like startup current regulation and current glitch protection to eliminate external timing resistors and capacitors. The MAX5929L provides an open-drain active-low status output for each channel, the MAX5929H provides an open-drain active-high status output for each channel, and the MAX5927 status output polarity is selectable.

The MAX5927 is available in a 32-pin thin QFN package and the MAX5929 is available in a 24-pin QSOP package. All devices are specified over the extended temperature range, -40°C to +85°C.

Applications

* Base-Station Line Cards * Bays (Docking Stations) * Hot Plug-In Daughter Cards * Hubs * Network Routers and Switches * PCI Express® Hot Plug * Portable Computer Device * Power-Supply * RAID * Sequencing/Tracking

* Safe Hot Swap for +1V to +13.2V Power Supplies with Any Input Voltage (VIN > 2.7V and Only One VIN > 11.0V)

* Adjustable Circuit Breaker/Current-Limit Threshold from 25mV to 100mV

* Configurable Tracking, Sequencing, or Independent Operation Modes

* VariableSpeed/BiLevel Circuit-Breaker Response

* Internal Charge Pumps Generate N-Channel MOSFET Gate Drives

* Inrush Current Regulated at Startup

* Autoretry or Latched Fault Management

* Programmable Undervoltage Lockout

* Status Outputs Indicate Fault/Safe Condition

Elecena nie prowadzi sprzedaży elementów elektronicznych, ani w niej nie pośredniczy.

Produkt pochodzi z oferty sklepu