Low-Voltage, Quad, Hot-Swap Controllers/Power Sequencers
Analog Devices
RSS
Sample
- Darmowa próbka
- MPN:
- MAX5929D
- Producent:
- ANALOG DEVICES
- Dodany do bazy:
- Ostatnio widziany:
Sugerowane produkty dla max5927a
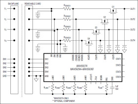
The MAX5927A/MAX5929A–MAX5929D +1V to +15V quad hot-swap controllers provide complete protection for multisupply systems. They allow the safe insertion and removal of circuit cards into live backplanes. These devices hot swap multiple supplies ranging from +1V to +15V, provided one supply is at or above +2.7V. The input voltage rails (channels) can be configured to sequentially turn-on/off, track each other, or have completely independent operation.
The discharged filter capacitors of the circuit card provide low impedance to the live backplane. High inrush currents from the backplane to the circuit card can burn up connectors and components, or momentarily collapse the backplane power supply leading to a system reset. The MAX5927A/MAX5929A–MAX5929D hot-swap controllers prevent such problems by gradually ramping up the output voltage and regulating the current to a preset limit when the board is plugged in, allowing the system to stabilize safely. After the startup cycle is complete, on-chip comparators provide VariableSpeed/BiLevel™ protection against shortcircuit and overcurrent faults, and provide immunity against system noise and load transients. The load is disconnected in the event of a fault condition. The MAX5929C/MAX5929D automatically restart after a fault condition, while the MAX5929A/MAX5929B must be unlatched. The MAX5927A fault management mode is selectable.
The MAX5927A/MAX5929A–MAX5929D offer a variety of options to reduce external component count and design time. All devices integrate an on-board charge pump to drive the gates of low-cost external n-channel MOSFETs, an adjustable startup timer, and an adjustable current limit. The devices offer integrated features like startup current regulation and current glitch protection to eliminate external timing resistors and capacitors. The MAX5929B/MAX5929D provide an open-drain, active-low status output for each channel, the MAX5929A/MAX5929C provide an open-drain, active-high status output for each channel, and the MAX5927A status output polarity is selectable.
The MAX5927A is available in a 32-pin thin QFN package and the MAX5929A–MAX5929D are available in a 24-pin QSOP package. All devices are specified over the -40°C to +85°C extended temperature range.
Applications
* Basestation Line Cards * Bays (Docking Stations) * Hot Plug-In Daughter Cards * Network Switches, Routers, Hubs * PCI Express® Hot Plug * Portable Computer Device * Power-Supply Sequencing/Tracking * RAID
* Safe Hot Swap for +1V to +15V Power Supplies with Any Input Voltage (VIN ≥ 2.7V)
* Adjustable Circuit-Breaker/Current-Limit Threshold from 25mV to 100mV
* Configurable Tracking, Sequencing, or Independent Operation Modes
* VariableSpeed/BiLevel Circuit-Breaker Response
* Internal Charge Pumps Generate n-Channel MOSFET Gate Drives
* Inrush Current Regulated at Startup
* Autoretry or Latched Fault Management
* Programmable Undervoltage Lockout
* Status Outputs Indicate Fault/Safe Condition
Elecena nie prowadzi sprzedaży elementów elektronicznych, ani w niej nie pośredniczy.
Produkt pochodzi z oferty sklepu Analog Devices