elecena.pl

EEPROM-Programmable, Hex/Quad, Power-Supply Sequencers/Supervisors

Analog Devices

EEPROM-Programmable, Hex/Quad, Power-Supply Sequencers/Supervisors RSS Sample
  • Darmowa próbka
MPN:
MAX6875
Producent:
ANALOG DEVICES
Dodany do bazy:
Ostatnio widziany:

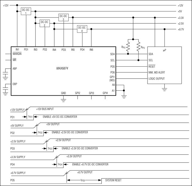
The MAX6874/MAX6875 EEPROM-configurable, multivoltage supply sequencers/supervisors monitor several voltage detector inputs and general-purpose logic inputs, and provide programmable open-drain outputs for highly configurable power-supply sequencing applications. The MAX6874 provides six voltage monitor inputs, four general-purpose inputs, and eight programmable open-drain outputs. The MAX6875 provides four voltage monitor inputs, three general-purpose inputs, and five programmable open-drain outputs. Manual reset and margin disable inputs provide additional flexibility.

All voltage detectors offer configurable thresholds for undervoltage detection. One high-voltage input (IN1) provides detector threshold voltages from +2.5V to +13.2V in 50mV increments, or from +1.25V to +7.625V in 25mV increments. A second positive input (IN2) provides detector threshold voltages from +2.5V to +5.5V in 50mV increments, or from +1.25V to +3.05V in 25mV increments. Positive inputs (IN3-IN6) provide detector threshold voltages from +1V to +5.5V in 20mV increments, or from +0.5V to +3.05V in 10mV increments.

Programmable output stages control power-supply sequencing or system resets/interrupts. Program the open-drain outputs as active-high or active-low. Programmable timing delay blocks configure each output to wait between 25µs and 1600ms before deasserting.

An SMBus™/I²C-compatible serial data interface programs and communicates with the configuration EEPROM, the configuration registers, and the internal 4kb user EEPROM of the MAX6874/MAX6875.

The MAX6874/MAX6875 are available in a 7mm x 7mm x 0.8mm, 32-pin TQFN package and operate over the extended temperature range (-40°C to +85°C).

Applications

* Multimicroprocessor/Voltage Systems * Networking Systems * Servers and Workstations * Storage Equipment * Telecommunication/Central Office Systems * Wireless Base Stations

* Six (MAX6874) or Four (MAX6875) Configurable Input Voltage Detectors

* One High-Voltage Input (+1.25V to +7.625V or +2.5V to +13.2V Thresholds)

* One Voltage Input (+1.25V to +3.05V or +2.5V to +5.5V)

* Four (MAX6874) or Two (MAX6875) Positive Voltage Inputs (+0.5V to +3.05V or +1V to +5.5V)

* Four (MAX6874) or Three (MAX6875) General-Purpose Logic Inputs

* Two Configurable Watchdog Timers

* Eight (MAX6874) or Five (MAX6875) Programmable Open-Drain Outputs

* Active-High or Active-Low

* Timing Delays from 25µs to 1600ms

* Margining Disable and Manual-Reset Controls

* 4kb Internal User EEPROM

* Endurance: 100,000 Erase/Write Cycles

* Data Retention: 10 Years

* I²C/SMBus-Compatible Serial Configuration/Communication Interface

* ±1% Threshold Accuracy

Elecena nie prowadzi sprzedaży elementów elektronicznych, ani w niej nie pośredniczy.

Produkt pochodzi z oferty sklepu