Dual-/Triple-Voltage, Power-Supply Sequencers/Supervisors
Analog Devices
RSS
Sample
- Darmowa próbka
- MPN:
- MAX6882
- Producent:
- ANALOG DEVICES
- Dodany do bazy:
- Ostatnio widziany:
Sugerowane produkty dla max6883
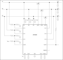
The MAX6880MAX6883 dual-/triple-voltage monitors are designed to sequence power supplies during power-up condition. When all of the voltages exceed their respective thresholds, these devices turn on voltages to the system sequentially, enhancing n-channel MOSFETs used as switches. The time between each sequenced voltage is determined by an external capacitor, thus allowing flexibility in delay timing. The MAX6880/MAX6881 sequence three voltages and the MAX6882/MAX6883 sequence two voltages.
These devices initially monitor all of the voltages and when all of them are within their tolerances, the internal charge pumps enhance external n-channel MOSFETs in a sequential manner to apply the voltages to the system. Internal charge pumps drive the gate voltages 5V above the respective input voltage thereby ensuring the MOSFETs are fully enhanced to reduce the on-resistance.
The MAX6880MAX6883 feature capacitor-adjustable slew-rate control to provide controlled turn-on characteristics. After all of the voltages reach 92.5% of their final value, a power-good output (MAX6880/MAX6882) signal is active. The power-good output (PG/RST-bar) can be delayed with an external capacitor to create a power-on reset delay. After the initial power-up phase, the MAX6880MAX6883 continue to monitor the voltages. If any of the voltages falls below its threshold, the MOSFETs are quickly turned off and the voltages are tracked down together. An internal 100Ω pulldown resistor ensures that the capacitance at the MOSFET's source is discharged quickly. The power-good output goes low to provide a system reset.
The MAX6880MAX6883 are available in small 4mm x 4mm 24-pin and 16-pin thin QFN packages and specified over the -40°C to +85°C extended operating temperature range.
Applications
* Multivoltage Systems * Networking Systems * Servers/Workstations * Storage Equipment * Telecom
Elecena nie prowadzi sprzedaży elementów elektronicznych, ani w niej nie pośredniczy.
Produkt pochodzi z oferty sklepu Analog Devices