High-Performance, 288MHz to 945MHz ASK/FSK ISM Transmitter
Analog Devices
RSS
Sample
- Darmowa próbka
- MPN:
- MAX7049
- Producent:
- ANALOG DEVICES
- Dodany do bazy:
- Ostatnio widziany:
Sugerowane produkty dla en300
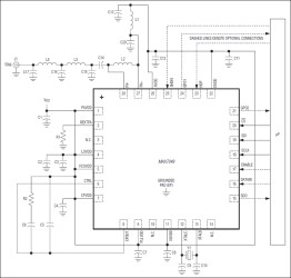
The MAX7049 high-performance, single-chip, ultra-low-power ASK/FSK UHF transmitter operates in the industrial, scientific, medical (ISM) band at 288MHz to 945MHz carrier frequencies. The IC also includes a low phase noise fractional-N synthesizer for precise tuning, fast frequency agility, and low out-of-band power. To support narrow-band applications, the IC has both amplitude-shaping and frequency-shaping functions that enable the user to optimize spectral efficiency. The IC offers Tx power up to +15dBm. These features make the transmitter ideally suited for long-range applications.
Additional system-level features of the IC include a digital temperature sensor and a number of flexible GPOs for monitoring radio status and for the control of external functions. A complete transmitter system can be built using a low-end microprocessor control unit (MCU), the IC, a crystal, and a small number of passive components.
The IC is available in a small, 5mm x 5mm, 28-pin TQFN package with an exposed pad. It is specified to operate in the -40°C to +125°C automotive temperature range.
Applications
* Automatic Meter Reading (AMR) * Home Automation * Home Security * Long-Range, One-Way Remote Keyless Entry (RKE) * Remote Controls * RF Modules * RFID * TPMS * Wireless Sensor Networks
* Transmitter (Tx)
* Provides Long Transmit Range Up to +15dBm
* 21mA Tx Current for +10dBm Tx Power*
* 41mA Tx Current for +15dBm Tx Power*
* Modulation Shaping, ASK, FSK
* General
* Delivers Long Battery Life
* < 50nA Shutdown Current
* < 350nA Sleep Current
* Minimizes the Number of I/Os Required Between the IC and the MCU Serial Peripheral Interface (SPI™)
* Regulatory Compliant
* FCC Part 15 Frequency Hopping
* ETSI EN300-220 Compatible
* On-Chip Temperature Sensor
* Fast Fractional-N Synthesizer with a User-Defined External Loop Filter
Elecena nie prowadzi sprzedaży elementów elektronicznych, ani w niej nie pośredniczy.
Produkt pochodzi z oferty sklepu Analog Devices