elecena.pl

Silicon Oscillator with Low-Power Frequency Select and Enable

Analog Devices

Silicon Oscillator with Low-Power Frequency Select and Enable RSS Sample
  • Darmowa próbka
MPN:
MAX7383
Producent:
ANALOG DEVICES
Dodany do bazy:
Ostatnio widziany:

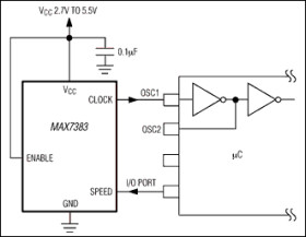
The MAX7383 dual-speed silicon oscillator replaces ceramic resonators, crystals, and crystal-oscillator modules as the primary and secondary clock source for microcontrollers in 3V, 3.3V, and 5V applications. The MAX7383 features a factory-programmed high-speed oscillator, a 32.768kHz oscillator, a clock enable input, and a clock-selector input. The clock output can be switched at any time between the high-speed clock and the 32.768kHz clock for low-power operation. Switchover is synchronized internally to provide glitch-free clock switching.

Unlike typical crystal and ceramic-resonator oscillator circuits, the MAX7383 is resistant to vibration and EMI. The high-output-drive current and absence of high-impedance nodes makes the oscillator less susceptible to dirty or humid operating conditions. With a wide operating temperature range, the MAX7383 is a good choice for demanding home appliance and automotive environments.

The MAX7383 is available with factory-programmed frequencies ranging from 10MHz to 16MHz. See the full data sheet for standard frequencies and contact the factory for custom frequencies and UVLO thresholds.

The MAX7383 is available in a 5-pin SOT23 package. The MAX7383 operating temperature range is -40°C to +125°C.

Applications

* Appliances and Controls * Automotive * Consumer Products * Handheld Products * Microcontroller Systems * Portable Equipment * White Goods

* 2.7V to 5.5V Operation

* High-Speed Oscillator from 10MHz to 16MHz

* Low-Speed 32.768kHz Oscillator

* Glitch-Free Clock-Speed Switching

* ±10mA Clock-Output Drive Capability

* 2.5% Initial Accuracy

* ±50ppm/°C (typ) Frequency Drift

* 50% Duty Cycle

* 5ns Output Rise and Fall Time

* Clock Enable Input

* 4mA Operating Current at 16MHz

* 13µA Operating Current at 32.768kHz

* Typical 0.5µA Shutdown Supply Current

* -40°C to +125°C Temperature Range

* Small 5-Pin SOT23 Package

Elecena nie prowadzi sprzedaży elementów elektronicznych, ani w niej nie pośredniczy.

Produkt pochodzi z oferty sklepu