elecena.pl

125Mbps to 4.25Gbps Laser Driver/Postamp with Digital Diagnostics

Analog Devices

125Mbps to 4.25Gbps Laser Driver/Postamp with Digital Diagnostics RSS Sample
  • Darmowa próbka
MPN:
PHY1075
Producent:
ANALOG DEVICES
Dodany do bazy:
Ostatnio widziany:

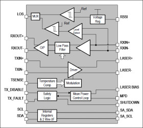
The PHY1075-01 is a combined laser driver and limiting amplifier with support for digital-diagnostic monitoring for use within small form factor modules for Fibre Channel, GbE, and SONET/SDH applications. The transmitter integrates a high-speed output stage with programmable bias and modulation currents, controlled through a 2-wire serial interface. The mean power control loop allows connection in common anode configuration. A loss-of-signal (LOS) detector is included with detection based on either the receiver photo-detector average current or received-signal modulation amplitude. When used in digital-diagnostics mode, the integrated A/D converters measuring temperature, Tx bias, supply voltage, Rx signal strength, and mean power are read through a 2-wire serial interface. An external microcontroller unit (MCU) is used for calibrating real-time diagnostic monitors and alarm generation.

Applications

* Fibre Channel 1x, 2x, 4x * Gigabit Ethernet, SONET/SDH * OC-3, OC-12, OC-48

* Multirate from 125Mbps to 4.25Gbps

* Laser Driver Output Stage with 70mA max Modulation Drive and 100mA Bias Current

* Programmable Mean Power Control Loop

* Temperature-Compensated Modulation Current

* Integrated Limiting Amplifier with Selectable Swing CML Output

* Programmable Receiver Lowpass Filter

* Integrated LOS Function

* Digital-Diagnostic Mode Compliant with SFF-8472 Using an External MCU

* Stand-Alone Mode Where Device Parameters are Loaded from an External EEPROM

* -40°C to +95°C Ambient Operating Temperature Range

* 6mm x 6mm, 36-Pin QFN Package

* Eye Safety Logic

Elecena nie prowadzi sprzedaży elementów elektronicznych, ani w niej nie pośredniczy.

Produkt pochodzi z oferty sklepu