Improved MX7524
Analog Devices
RSS
Sample
- Darmowa próbka
- MPN:
- MX7524
- Producent:
- ANALOG DEVICES
- Dodany do bazy:
- Ostatnio widziany:
- Zmiana ceny:
- -100% (18.01.2025)
- Poprzednia cena:
- 4.97
Sugerowane produkty dla mx7524
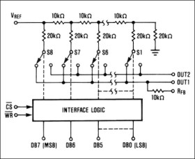
The MX7524/MAX7624 are CMOS 8-big digital-to-analog converters (DAC) which will interface directly with most microprocessors. On-chip input latches make the DAC interface similar to a RAM write cycle where active-low CS and active-low WR are the only control inputs required. Linearity up to ±1/8 LSB is available (MX7524L/C/U grades) and power consumption is less than 10mW. Monotonicity is guaranteed over the full temperature range.
For the MX7524, +5V TTL and CMOS logic compatibility is guaranteed when using +5V power. Over the supply range of +5V to +15V, all logic inputs are high voltage CMOS compatible. The MAX7624 has +5V TTL/CMOS compatible inputs for a +12V to +15V supply range.
Applications
* Automatic Test Equipment * Bus Structured Instruments * Digital Control Systems * Function Generators * µP Controlled Gain
* Microprocessor Compatible
* On-chip Data Latches
* Guaranteed Monotonic Over Temp.
* Low Power Consumption
* 8, 9, 10-Bit Linearity
* MX7524 TTL/CMOS Compatible at +5V
* MAX7624 TTL/CMOS Compatible at +12V to +15V
Elecena nie prowadzi sprzedaży elementów elektronicznych, ani w niej nie pośredniczy.
Produkt pochodzi z oferty sklepu Analog Devices