elecena.pl

16-Bit, RISC, Microcontroller-Based, Ultrasonic Distance-Measuring System

Analog Devices

16-Bit, RISC, Microcontroller-Based, Ultrasonic Distance-Measuring System RSS Sample
  • Darmowa próbka
MPN:
MAXQ7667
Producent:
ANALOG DEVICES
Dodany do bazy:
Ostatnio widziany:
Zmiana ceny:
-100% (17.01.2025)
Poprzednia cena:
12.84

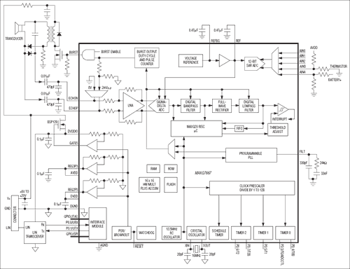
The MAXQ7667 smart system-on-a-chip (SoC) provides a time-of-flight ultrasonic distance-measuring solution. The device is optimized for applications involving large distance measurement with weak input signals or multiple target identification. The MAXQ7667 features high signal-to-noise ratio achieved by combining flexible electronics with the intelligence necessary to optimize each function as environmental and target conditions change.

An integrated burst signal generator and echo reception components process ultrasonic signals between 25kHz and 100kHz. Echo reception components include a programmable gain low-noise amplifier (LNA), a 16-bit sigma-delta ADC to digitize the received echo signals, and digital signal processing (DSP). DSP limits noise with a bandpass filter, and creates an echo envelope through demodulation and lowpass filtering. Input referred noise is a low 0.7µVRMS. A programmable phase-locked loop (PLL) frequency synthesizer supplies the reference frequency for the burst generator and the clock for the echo receiver's digital filter. An embedded 16-bit MAXQ20 microcontroller (µC) controls all the preceding functions.

The µC optimizes the burst frequency and reception frequency for each transmission at any temperature. The MAXQ7667 achieves smart sensing by monitoring the echo signals and then actively changing the transmitted and received parameters to obtain optimum results. Digital filtering and burst synthesis do not require CPU intervention. This leaves all the CPU power available for echo optimization, communication, diagnostics, and additional signal processing.

The MAXQ7667 operates with three different power supply voltages: +5V, +3.3V, and +2.5V. Two internal linear regulators allow operation from a single +5V supply when three external power supplies are not available. Alternatively, the MAXQ7667 can control an external pass transistor to allow operation from a single supply voltage of +8V to +65V or more, depending on the external component tolerance. The device is available in a 48-pin LQFP package and is specified to operate from -40°C to +125°C.

Note: Designers must have the following documents to fully use all the features of this device. This data sheet contains pin descriptions, feature overviews, and electrical specifications. Errata sheets contain deviations from published specifications. The user's guides offer detailed information about device features and operation.

* MAXQ7667 IC data sheet

* MAXQ7667 revision-specific errata sheet (Click here for availability)

* MAXQ7667 User's Guide

Applications

* Automation * Automotive Parking * Handheld Devices * Industrial Processing * Vehicle Security

* Smart Analog Peripherals

* Dedicated Ultrasonic Burst Generator

* Echo Receiving Path (Includes LNA, Sigma-Delta ADC)

* 5-Channel, 12-Bit SAR ADC with 250ksps Sampling Rate

* Internal Bandgap Voltage Reference for the ADCs (Also Accepts External Voltage Reference)

* Timer/Digital I/O Peripherals

* High-Performance, Low-Power, 16-Bit RISC Core

* Program and Data Memory

* Crystal/Clock Module

* 16 x 16 Hardware Multiplier with 48-Bit Accumulator, Single Clock Cycle

* Power-Management Module

* JTAG Interface

* Universal Asynchronous Receiver-Transmitter (UART)

* Local Interconnect Network (LIN)

Elecena nie prowadzi sprzedaży elementów elektronicznych, ani w niej nie pośredniczy.

Produkt pochodzi z oferty sklepu