16-Bit, RISC, Microcontroller-Based, Smart Data-Acquisition System
Analog Devices
RSS
Sample
- Darmowa próbka
- MPN:
- MAXQ7666B
- Producent:
- ANALOG DEVICES
- Dodany do bazy:
- Ostatnio widziany:
Sugerowane produkty dla maxq7666
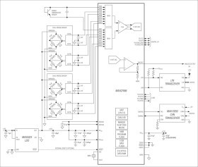
The MAXQ7666 smart systems-on-a-chip (SoC) is a data-acquisition system based on a microcontroller (µC). As a member of the MAXQ® family of 16-bit reduced instruction set computing (RISC) µCs, the MAXQ7666 is ideal for low-cost, low-power, embedded applications such as industrial controls and building automation. The flexible, modular architecture design used in this µC allows targeted product development for specific applications with minimal effort.
The MAXQ7666 incorporates a high-performance 16-bit RISC core, a 12-bit 500ksps SAR ADC with a programmable-gain amplifier (PGA), a 12-bit DAC with a buffered voltage output, and a full CAN 2.0B controller, supporting transfer rates up to 1Mbps. The device includes an internal crystal oscillator that drives an external crystal of 8MHz for the system clock. An internal 7.6MHz RC oscillator provides an alternate system clock. The MAXQ7666 includes an internal temperature sensor to measure die temperature and an external temperature-sensor driver. The analog functions and digital I/O operate from a +5V supply, while the internal digital core operates from a +3.3V supply. An internal linear regulator can provide +3.3V to the digital supply if an external +3.3V supply is not available. The MAXQ7666 also includes two powersupply supervisors and a JTAG interface for in-system programming and debugging. The device includes 16KB (8K x 16) of program flash memory, up to 512 bytes (256 x 16) of data flash, and 512 bytes (256 x 16) of RAM.
The MAXQ7666 is available in a 48-pin TQFN (7mm x 7mm) package and is specified to operate from -40°C to +125°C.
Applications
* CAN- and LIN-Based Sensors * Industrial Control * Steering Sensors
* High-Performance, Low-Power, 16-Bit RISC Core
* 8MHz Operation, Approaching 1 MIPS per MHz
* Low Power (< 3mA/MIPS, DVDD = +3.3V)
* 16-Bit Instruction Word, 16-Bit Data Bus
* 33 Instructions (Most Require Only One Clock Cycle)
* 16-Level Hardware Stack
* Three Independent Data Pointers with Automatic Increment/Decrement
* Program and Data Memory
* 16KB (8K x 16) Program Flash
* Up to 512 Bytes (256 x 16) Data Flash
* 512 Bytes (256 x 16) RAM
* Smart Analog Peripherals
* Low-Power, Eight Differential-Channel, 12-Bit, 500ksps ADC
* PGA, Software-Selectable Gain: 1V/V, 2V/V, 4V/V, 8V/V, 16V/V, 32V/V
* 12-Bit DAC with Buffered Voltage Output
* External References for ADC and DAC
* Internal (Die) and External Diode Temperature Sensing
* Timer/Digital I/O Peripherals
* Full CAN 2.0B Controller
* 15 Message Centers (256-Byte Dual Port Memory)
* Programmable Bit Rates from 10kbps to 1Mbps
* Standard 11-Bit or Extended 29-Bit Identification Modes
* Two Data Masks and Associated IDs for DeviceNET™, SDS, and Other Higher Layer CAN Protocols
* External Transmit Disable for Autobaud
* SIESTA Low-Power Mode
* Wake-Up on CANRXD Edge Transition
* UART (LIN) with User-Programmable Baud Rate
* 16 x 16 Hardware Multiplier with 48-Bit Accumulator, Single Clock-Cycle Operation
* Three 16-Bit (or Six 8-Bit) Programmable Timer/Counter/PWM
* Eight General-Purpose, Digital I/Os, with External Interrupt Capability
* Wake-Up Capable Interrupts
* Crystal/Clock Module
* Internal Oscillator for Use with External Crystal
* Internal RC Oscillator Eliminates External Crystal
* External Clock-Source Operation
* Programmable Watchdog Timer
* Power-Management Module
* Power-On Reset (POR)
* Power-Supply Supervisor/Brownout Detection for Digital I/O and Digital Core Supplies
* On-Chip +3.3V, 50mA Linear Regulator
* JTAG Interface
* Extensive Debug and Emulation Support
* In-System Test Capability
* Flash-Memory-Program Download
* Software Bootstrap Loader for Flash Programming
* Low-Power Consumption
* Low-Power Stop Mode (CPU Shutdown)
Elecena nie prowadzi sprzedaży elementów elektronicznych, ani w niej nie pośredniczy.
Produkt pochodzi z oferty sklepu Analog Devices