elecena.pl

16-Bit Mixed-Signal Microcontroller with LCD Interface

Analog Devices

16-Bit Mixed-Signal Microcontroller with LCD Interface RSS Sample
  • Darmowa próbka
MPN:
MAXQ2010
Producent:
ANALOG DEVICES
Dodany do bazy:
Ostatnio widziany:

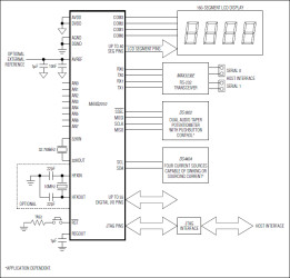
The MAXQ2010 microcontroller is a low-power, 16-bit device that incorporates a high-performance, 12-bit, multichannel ADC and a liquid-crystal display (LCD) interface. A combination of high performance, low power, and mixed-signal integration makes the MAXQ2010 ideal for a wide variety of applications.

The MAXQ2010 has 64KB of flash memory, 2KB of RAM, three 16-bit timers, and two universal synchronous/asynchronous receiver/transmitters (USARTs). Flash memory aids prototyping and is available for mass production. Mask ROM versions are available for large production volumes when cost is a critical factor. The microcontroller runs from a 2.7V to 3.6V operating supply. For the ultimate in low-power performance, the MAXQ2010 includes a low-power sleep mode, the ability to selectively disable peripherals, and multiple power-saving operating modes.

Note: Designers must have the following documents to fully use all the features of this device. This data sheet contains pin descriptions, feature overviews, and electrical specifications. Errata sheets contain deviations from published specifications. The user's guides offer detailed information about device features and operation.

* MAXQ2010 IC data sheet

* MAXQ2010 revision-specific errata sheet (Click here for availability)

* MAXQ Family User's Guide

* MAXQ Family User's Guide: MAXQ2010 Supplement

Applications

* Battery-Powered and Portable Devices * Consumer Electronics * Data-Acquisition Systems and Data Loggers * Electrochemical and Optical Sensors * Gas and Chemical Sensors * Home Appliances * HVAC * Industrial Control * Medical Instrumentation * Portable Medical Equipment * Security Sensors * Smart Transmitters * Thermostats/Humidity Sensors

* High-Performance, Low-Power, 16-Bit MAXQ® RISC Core

* DC to 10MHz Operation, Approaching 1MIPS per MHz

* 2.7V to 3.6V Operating Voltage

* 33 Instructions, Most Single Cycle

* Three Independent Data Pointers Accelerate Data Movement with Automatic Increment/Decrement

* 16-Level Hardware Stack

* 16-Bit Instruction Word, 16-Bit Data Bus

* 16 x 16-Bit General-Purpose Working Registers

* Optimized for C-Compiler (High-Speed/Density Code)

* On-Chip FLL Reduces External Clock Frequency

* Memory Features

* 64KB Flash Memory (In-Application and In-System Programmable)

* 2KB Internal Data RAM

* JTAG Bootloader for Programming and Debug

* Peripheral Features

* 12-Bit SAR ADC with Internal Reference and Autoscan

* Eight Single-Ended or Four Differential Inputs

* Up to 312.5ksps Sample Rate

* Supply Voltage Monitor with Adjustable Threshold

* One-Cycle, 16 x 16 Hardware Multiply/Accumulate with 48-Bit Accumulator

* Three 16-Bit Programmable Timers/Counters with PWM Outputs

* 32-Bit Binary Real-Time Clock with Digital Trim Capability

* Integrated LCD

* 160 Segments

* No External Resistors Required

* Two USARTs, I²C Master/Slave, and SPI™ Master/Slave Communications Ports

* On-Chip Power-On Reset/Brownout Reset

* Programmable Watchdog Timer

* Low Power Consumption

* 1mA (typ) at 1MHz Flash Operation at 2.7V

* 370nA (typ) in Stop Mode

* Low-Power Power-Management Mode (PMM)

Elecena nie prowadzi sprzedaży elementów elektronicznych, ani w niej nie pośredniczy.

Produkt pochodzi z oferty sklepu