elecena.pl

Dual 1.1Gbps Pin Electronics with Integrated PMU and Level-Setting DACs

Analog Devices

Dual 1.1Gbps Pin Electronics with Integrated PMU and Level-Setting DACs RSS Sample
  • Darmowa próbka
MPN:
MAX9979
Producent:
ANALOG DEVICES
Dodany do bazy:
Ostatnio widziany:
Zmiana ceny:
-100% (22.01.2025)
Poprzednia cena:
52.92

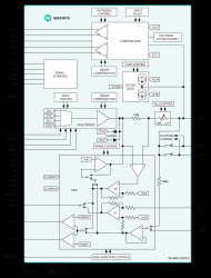
The MAX9979 fully integrated, high-performance, dual-channel pin electronics integrates multiple automatic test equipment (ATE) functions into a single IC, including driver/comparator/load (DCL), parametric measurement unit (PMU), and built-in (16-bit) level-setting digital-to-analog converters (DACs). The device is ideal for memory and SOC tester applications. Each channel includes a four-level pin driver, window comparator, differential comparator, dynamic clamps, a versatile PMU, an active load, a high-voltage (VHH) programmable level, and 14 independent level-setting DACs. The MAX9979 features programmable cable-droop compensation for the driver output and for the comparator input, adjustable driver output resistance that allows optimal performance over typical data-path transmission-line variations, slew-rate adjustment, and a programmable high-voltage driver output.

The MAX9979 driver features a wide 8V (-1.5V to +6.5V) high-speed operating voltage range and a VHH programmable range of up to +13V. Operation modes include high-impedance, active-termination (3rd-level drive) and VHH (4th-level drive) modes. The device is highly linear even at low voltage swings. The driver provides high-speed differential control inputs compatible with most high-speed logic families. The window comparators provide extremely low timing variation over changes in slew rate, pulse width, and overdrive voltage. In high-impedance mode, the MAX9979 features dynamic clamps that dampen high-speed device-under-test (DUT) waveforms. The 20mA active load facilitates fast contact testing when used in conjunction with the comparators, and functions as a pullup/pulldown for open-drain/collector DUT outputs. The PMU offers five current ranges from ±2µA to ±50mA and can force and measure current or voltage. An SPI™-compatible serial interface configures the MAX9979.

The MAX9979 is available in a small footprint, 68-pin (10mm x 10mm x 1mm) TQFN-EP-IDP package with exposed pad on the top for easy heat removal. Power dissipation is 1.2W per channel (typ) over the full operating voltage range with the active load disabled. The MAX9979 operates over an internal die temperature range of +40°C to +100°C and provides a temperature monitor output.

* High Speed: 1.1Gbps at 1VP-P

* Extremely Low Power Dissipation: 1.2W/Channel (Active Load Disabled)

* Wide Voltage Range: -1.5V to +6.5V and Up to 13V VHH

* Wide Voltage Swing Range: 50mVP-P to 13VP-P

* Low-Leak Mode: 10nA max

* Integrated Termination-on-the-Fly (3rd-Level Drive)

* Integrated VHH High Voltage (4th-Level Drive)

* Integrated Voltage Clamps

* Integrated 20mA Active Load

* Integrated Per-Pin PMU

* Integrated Level-Setting CALDACs

* Programmable Cable-Droop Compensation for Both Driver Output and Comparator Input

* Programmable Driver Output Impedance

* Four Slew-Rate Settings for Driver Output

* Analog Measure Bus

* Very Low Timing Dispersion

* Minimal External Component Count

* SPI-Compatible Serial Control Interface

* 68-Pin Thermally Enhanced TQFN Package with Top-Side Heat Removal

Elecena nie prowadzi sprzedaży elementów elektronicznych, ani w niej nie pośredniczy.

Produkt pochodzi z oferty sklepu