elecena.pl

Dual, Low-Power, 1200Mbps ATE

Analog Devices

Dual, Low-Power, 1200Mbps ATE RSS Sample
  • Darmowa próbka
MPN:
MAX9969
Producent:
ANALOG DEVICES
Dodany do bazy:
Ostatnio widziany:

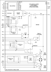
The MAX9969 dual, low-power, high-speed, pin electronics driver/comparator with 35mA load IC includes, for each channel, a three-level pin driver, a dual comparator, variable clamps, and an active load. An additional differential comparator allows comparisons between the two channels. The driver features a wide voltage range and high-speed operation, includes high-impedance and active-termination (3rd-level drive) modes, and is highly linear even at low voltage swings. The dual comparator provides low dispersion (timing variation) over a wide variety of input conditions, and differential outputs. The clamps provide damping of high-speed device-under-test (DUT) waveforms when the device is configured as a high-impedance receiver. The programmable load supplies up to 35mA of source and sink current. The load facilitates contact/continuity testing, at-speed parametric testing of IOH and IOL, and pullup of high-output-impedance devices. The MAX9969A features tighter matching of offset for the drivers and the comparators.

The MAX9969 provides high-speed, differential control inputs with optional internal termination resistors that are compatible with LVPECL, LVDS, and GTL. Flexible open-collector outputs with optional internal pullup resistors are available for the comparators. These features significantly reduce the discrete component count on the circuit board.

A 3-wire, low-voltage, CMOS-compatible serial interface programs the low-leakage, slew-rate limit, and tristate/terminate operational configurations of the MAX9969.

The MAX9969's operating range is -1.5V to +6.5V with power dissipation of only 1.4W per channel. The device is available in a 100-pin, 14mm x 14mm body, and 0.5mm pitch TQFP. An exposed 8mm x 8mm die pad on the top of the package facilitates efficient heat removal. The device is specified to operate with an internal die temperature of +60°C to +100°C, and features a die temperature monitor output.

Applications

* High-Performance Memory ATE * High-Performance Mixed-Signal/System-on-Chip ATE

* Low-Power Dissipation: 1.4W/Channel (typ)

* Greatly Reduced Power Penalty when Load Commutated

* High Speed: 1200Mbps at 3VP-P and 1800Mbps at 1VP-P

* Programmable 35mA Active-Load Current

* Low Timing Dispersion

* Wide -1.5V to +6.5V Operating Range

* Active Termination (3rd-Level Drive)

* Low-Leakage Mode: 15nA

* Integrated Clamps

* Integrated Differential Comparator

* Interfaces Easily with Most Logic Families

* Digitally Programmable Slew Rate

* Internal Termination Resistors

* Low Offset Error

* Pin Compatible with the MAX9967

Elecena nie prowadzi sprzedaży elementów elektronicznych, ani w niej nie pośredniczy.

Produkt pochodzi z oferty sklepu