elecena.pl

Quad Low-Power 500Mbps ATE Driver/Comparator

Analog Devices

Quad Low-Power 500Mbps ATE Driver/Comparator RSS Sample
  • Darmowa próbka
MPN:
MAX9964
Producent:
ANALOG DEVICES
Dodany do bazy:
Ostatnio widziany:

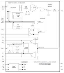
The MAX9963/MAX9964 four-channel, low-power, high-speed pin electronics driver and comparator ICs include, for each channel, a three-level pin driver, a dual comparator, and variable clamps. The driver features a wide voltage range and high-speed operation, includes high-Z and active-termination (3rd-level drive) modes, and is highly linear even at low-voltage swings. The dual comparator provides low dispersion (timing variation) over a wide variety of input conditions. The clamps provide damping of high-speed DUT waveforms when the device is configured as a high-impedance receiver. High-speed, differential control inputs compatible with ECL, LVPECL, LVDS, and GTL levels are provided for each channel. ECL/LVPECL or flexible open-collector outputs are available for the comparators.

The A-grade version provides tight matching of gain and offset for the drivers and comparators, allowing reference levels to be shared across multiple channels in cost-sensitive systems. For system designs that incorporate independent reference levels for each channel, the B-grade version is available at reduced cost.

Optional internal resistors at the high-speed inputs provide differential termination of LVDS inputs, while optional internal resistors provide the pullup voltage and source termination for open-collector comparator outputs. These features significantly reduce the discrete component count on the circuit board.

Low-leakage, slew rate, and tri-state/terminate controls are operational configurations that are programmed through a 3-wire, low-voltage, CMOS-compatible serial interface.

The MAX9963/MAX9964 operating range is -1.5V to +6.5V, with power dissipation of only 825mW per channel. These devices are available in a 100-pin, 14mm x 14mm body, 0.5mm pitch TQFP with an exposed 8mm x 8mm die pad on the top (MAX9963) or bottom (MAX9964) of the package for efficient heat removal. The MAX9963/MAX9964 are specified to operate with an internal die temperature of +70°C to +100°C, and feature a die temperature monitor output.

Applications

* Active Burn-In Systems * Commodity DRAM Testers * Flash Memory Testers * Low-Cost Mixed-Signal/System-on-Chip Testers * Structural Testers

* Small FootprintFour Channels in 0.4in²

* Low Power Dissipation: 825mW/Channel (typ)

* High Speed: 500Mbps at 3VP-P

* Low Timing Dispersion

* Wide -1.5V to +6.5V Operating Range

* Active Termination (3rd-Level Drive)

* Low-Leakage Mode: 15nA (max)

* Integrated Clamps

* Interface Easily with Most Logic Families

* Digitally Programmable Slew Rate

* Internal Logic Termination Resistors

* Low Gain and Offset Error

Elecena nie prowadzi sprzedaży elementów elektronicznych, ani w niej nie pośredniczy.

Produkt pochodzi z oferty sklepu