elecena.pl

Graphics Video Sync Adder/Extractor

Analog Devices

Graphics Video Sync Adder/Extractor RSS Sample
  • Darmowa próbka
MPN:
MAX9540
Producent:
ANALOG DEVICES
Dodany do bazy:
Ostatnio widziany:

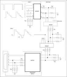
The MAX9539/MAX9540 chipset provides a 3-wire (RGB) interface for 5-wire (RGBHV) video by adding and extracting the H, V, and composite sync from the graphics video signals. This chipset eliminates the problem of sync-to-video timing (skew errors) in a 5-wire interface, while reducing the number of channels required to transport video signals.

The MAX9539 mixes the H and V sync signals and adds them to create a 3-wire interface from a 5-wire (RGBHV) input. The MAX9540 recovers the H and V sync signals to create a 5-wire (RGBHV) interface from the 3-wire input. The MAX9540 also provides a composite sync output.

The chipset includes the MAX9539 sync adder and the MAX9540 sync extractor with 180MHz large-signal bandwidths to address display resolutions up to 1600 x 1200 at 85Hz for VGA-to-UXGA applications. Both devices feature a DC restore function, which virtually eliminates any changes in black level. The chipset uses a proprietary H and V sync addition/extraction scheme (true sync) to minimize skew errors.

The MAX9539/MAX9540 are available in 28-pin TSSOP packages and are specified over the extended -40°C to +85°C temperature range.

Applications

* Enterprise Class (Blade) Servers * Keyboard-Video-Mouse (KVM) * Laptop PCs * Web Appliances

* 3-Wire RGB to 5-Wire RGBHV Interface

* Supports VGA-to-UXGA Resolution

* Low Offset Voltage (±1mV)

* 180MHz Large-Signal Bandwidth

Elecena nie prowadzi sprzedaży elementów elektronicznych, ani w niej nie pośredniczy.

Produkt pochodzi z oferty sklepu