RGBHV Driver with EMI Suppression
Analog Devices
RSS
Sample
- Darmowa próbka
- MPN:
- MAX9511
- Producent:
- ANALOG DEVICES
- Dodany do bazy:
- Ostatnio widziany:
Sugerowane produkty dla max9511
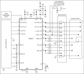
The MAX9511 provides a complete VGA interface between a graphics controller and/or docking station. The MAX9511 has output drivers with variable electromagnetic interference (EMI) suppression for graphics video and sync (RGBHV) signals and includes external load-detection circuitry.
The MAX9511 suppresses EMI emissions by limiting the slew rate (SR) rather than limiting bandwidth with fixed L-C filters. The SR controls the large-signal bandwidth without affecting the small-signal bandwidth, resulting in sharper video images, while reducing EMI. The SR of the MAX9511 provides tighter control than traditional passive L-C components, and allows the SR to track the resolution by varying an external resistor (RRX) rather than being fixed to a sub-optimal value.
The load-detection circuitry of the MAX9511 automatically detects and transmits a change in load status to the input stages when an external load (monitor, docking station, or projector) is connected. The MAX9511 is compatible with the load-detection circuitry on the digital-to-analog (DAC) outputs of most video graphics controllers. The output drivers provide 6dB of gain to compensate for the 75Ω back-termination resistors, which reduce transmission line reflections.
The RGBHV channels can be placed into shutdown to reduce power when no external load is connected.
The MAX9511 operates from 3V and 5V supplies. The DDC circuitry performs bidirectional level translation from 3V to 5V logic levels. The MAX9511 is offered in a 24-pin QSOP package and is specified over the commercial 0°C to +70°C temperature range.
Applications
* Docking Stations * Graphics Cards for Notebooks and Personal Computers * Notebook PCs (Laptops) * Personal Computer Motherboards with On-Board Video Graphics Controllers * Workstations
* RGB Drivers with Adjustable Slew Rate for EMI Control
* H Sync and V Sync Drivers with Level Translation
* Bidirectional Level Translators for DDC Support
* Simultaneously Drives External Monitor/Projector and Docking Station without Analog RGB Switches—No Stub Reflections
* Eliminates Up to 34 External Components
* Small 24-Pin QSOP Package
Elecena nie prowadzi sprzedaży elementów elektronicznych, ani w niej nie pośredniczy.
Produkt pochodzi z oferty sklepu Analog Devices