elecena.pl

1:5 Clock Driver with Selectable LVPECL Inputs and LVDS Outputs

Analog Devices

1:5 Clock Driver with Selectable LVPECL Inputs and LVDS Outputs RSS Sample
  • Darmowa próbka
MPN:
MAX9310
Producent:
ANALOG DEVICES
Dodany do bazy:
Ostatnio widziany:

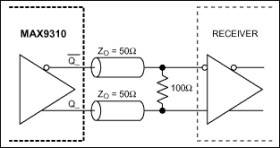
The MAX9310 is a fast, low-skew 1:5 differential driver with selectable LVPECL/HSTL inputs and LVDS outputs, designed for clock distribution applications. This device features an ultra-low propagation delay of 345ps with 45.5mA of supply current.

The MAX9310 operates from a 2.375V to 2.625V power supply for use in 2.5V systems. A 2:1 input multiplexer is used to select one of two differential inputs. The input selection is controlled through the CLKSEL pin. This device also features a synchronous enable function.

The MAX9310 is offered in a space-saving 20-pin TSSOP package and operates over the extended temperature range from -40°C to +85°C.

Applications

* Automated Test Equipment (ATE) * Central Office Backplane Clock Distribution * Data and Clock Driver and Buffer * DSLAM * Wireless Base Stations

Elecena nie prowadzi sprzedaży elementów elektronicznych, ani w niej nie pośredniczy.

Produkt pochodzi z oferty sklepu