elecena.pl

HDCP Gigabit Multimedia Serial Link Serializer/Deserializer

Analog Devices

HDCP Gigabit Multimedia Serial Link Serializer/Deserializer RSS Sample
  • Darmowa próbka
MPN:
MAX9264
Producent:
ANALOG DEVICES
Dodany do bazy:
Ostatnio widziany:
Zmiana ceny:
-100% (18.01.2025)
Poprzednia cena:
8.38

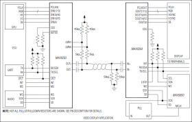
The MAX9263/MAX9264 chipset extends Maxim’s gigabit multimedia serial link (GMSL) technology to include high-bandwidth digital content protection (HDCP) encryption of video and audio data. The MAX9263 serializer, or any HDCP-GMSL serializer, pairs with the MAX9264 deserializer, or any HDCP-GMSL deserializer, for the transmission of control data and HDCP encrypted video and audio data.

The parallel interface operates with a pixel clock up to 104MHz. Three inputs are for I2S audio, supporting a sampling frequency to 192kHz and a sample depth to 32 bits. The embedded control channel forms a fullduplex differential 9.6kbps to 1Mbps UART link between the serializer and deserializer. A microcontroller (µC), can be located on the serializer side of the link, on the deserializer side of the link, or on both sides. The control channel enables µC control of peripherals on the remote side, such as backlight control, touch screen, and perform HDCP-related operations.

For driving longer cables, the serializer has programmable pre/deemphasis, and the deserializer has a programmable channel equalizer. The GMSL devices have programmable spread spectrum on the serial (serializer) and parallel (deserializer) output. The serial link input and output meet ISO 10605 and IEC 61000-4-2 ESD standards. The serializer core supply is 1.8V and the deserializer core supply is 3.3V. The I/O supply is 1.8V to 3.3V. Both devices are available in a 64-pin TQFP package with an exposed pad and are specified over the -40°C to +105°C automotive temperature range.

Applications

* High-Resolution Automotive Navigation * Megapixel Camera Systems * Rear-Seat Infotainment

* Ideal for HDCP Video Applications

* Supports Up to XGA (1280 x 768) or Dual-View WVGA (2x 854 x 480)

* Pre/Deemphasis and Equalization Allows 15m Cable at Full Speed

* Up to 192kHz, 32-Bit/Sample I2S

* Multiple Data Rates for System Flexibility

* Up to 3.12Gbps Serial-Bit Rate

* 6.25MHz to 104MHz Pixel Clock

* 100kbps to 1Mbps UART and UART-to-I2C Control Channel

* Reduces EMI and Shielding Requirements

* Serial Output Programmable for 100mV to 400mV

* Programmable Spread Spectrum Reduces EMI

* Bypassable Input PLL for Jitter Attenuation

* Peripheral Features for System Power-Up and Verification

* Built-In PRBS Tester for BER Testing of the Serial Link

* Interrupt Transmission from Deserializer to Serializer

* Meets Rigorous Automotive and Industrial Requirements

* -40°C to +105°C Operating Temperature

* ISO 10605 and IEC 61000-4-2 ESD Tolerance

Elecena nie prowadzi sprzedaży elementów elektronicznych, ani w niej nie pośredniczy.

Produkt pochodzi z oferty sklepu