elecena.pl

System Power Management for Mobile Handsets

Analog Devices

System Power Management for Mobile Handsets RSS Sample
  • Darmowa próbka
MPN:
MAX8939B
Producent:
ANALOG DEVICES
Dodany do bazy:
Ostatnio widziany:

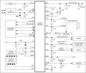
The MAX8939/MAX8939A/MAX8939B power management ICs contain the necessary supplies and features for supporting cell phone designs based on the Intel Mobile Communications (IMC) 61XX 3G platform. Designed to power all peripheral components in the platform, the MAX8939 also provides the necessary signals to control the 61XX baseband processor.

The integrated lithium-ion (Li+) charger is protected up to 28V input and features a protected output voltage for supply of a USB transceiver. Proprietary thermal-regulation circuitry limits the die temperature during fast-charging or when the ICs are exposed to high ambient temperatures, allowing maximum charging current without damaging the ICs. A dedicated current regulator is included for driving a charge indicator LED.

Four programmable low-noise, low-dropout linear regulators (LDOs) provide the supply for noise sensitive peripherals. A high power vibrator driver is I²C programmable in 70 PWM levels and 4 output voltages. The ICs also offer two step-up converters; one high power, low voltage (5V) to supply an external audio amplifier or camera flash, and a high voltage (28V) supply for the display and keyboard backlight. Two integrated 25mA current regulators provide independent ramp-up and ramp-down control, programmable through I²C.

The MAX8939/MAX8939A/MAX8939B are highly integrated ICs that require very few external components and are available in a compact 2.5mm x 3.0mm, 0.65mm max height wafer level package (WLP).

Applications

* Companion Chip for Cell Phones/Smartphones

* Step-Up Converter

* 700mA Guaranteed Output Current

* I²C Programmable Output 3.5V to 5.0V in 16 Steps

* Over 90% Efficiency

* On-Chip FET and Synchronous Rectifier

* Fixed 2MHz PWM Switching

* Small 2.2µH to 10µH Inductor

* WLED Boost Converter

* 28V Max Step-Up Output Voltage

* 60mA Output Current

* Integrated NMOS Power Switch

* Over 90% Efficiency

* Fixed 2MHz Switching

* Small 4.7µH to 10µH Inductor

* Two 25mA Individually Programmable Current Regulators

* I²C Programmable Output Current (50µA to 25.25mA) with 128-Step Pseudo Log Dimming

* Individually Programmable Ramp (Up/Down) Timers

* Low Dropout (150mV max)

* Linear One-Cell Li+ Battery Charger

* No External MOSFET, Reverse Blocking Diode, or Current-Sense Resistor

* Programmable Fast-Charge Current (1.5ARMS max for the MAX8939 or 850mARMS max for the MAX8939A/MAX8939B)

* Programmable Top-Off Current Threshold

* Proprietary Die Temperature Regulation Control

* 4.1V to 10V Input Voltage Range (MAX8939/MAX8939B)

* 4.1V to 6.25V Input Voltage Range (MAX8939A) with Input Overvoltage Protection Up to 28V

* Low-Dropout Voltage (300mV at 500mA)

* Input Power-Source Detection Output

* Input Overvoltage Protected 4.75V Output (SAFEOUT) from IN

* Charge Current Monitor Output

* Indicator LED

* Hardware Input Enable

* 5s Watchdog Feature During Charge

* Four Low-Noise LDOs

* 1x 400mA, 2 x 200mA and 1x 100mA Output Current

* High 65dB (typ) PSRR

* Low Noise (45µVRMS typ)

* Programmable Output Voltage 1.7V to 3.2V

* Low Quiescent Current (25µA typ)

* 400mA LDO with Hardware Enable Input

* Vibrator Driver

* Guaranteed 200mA Output Current

* Programmable Output Voltage 1.3V to VINVIB

* Repetition Frequency 23.8kHz

* PWM Speed Control in 70 steps

* Active Stop Brake

* Control Interface for 61XX Baseband

* MAX8939/MAX8939A/MAX8939B Control Through I²C

* Active-Low RESETIN Reset Input

* Charger Detect PWRONCMP Output

* Active-Low IRQ Interrupt Output

* 2.9V to 5.5V Supply Voltage Range

* Thermal Shutdown

Elecena nie prowadzi sprzedaży elementów elektronicznych, ani w niej nie pośredniczy.

Produkt pochodzi z oferty sklepu