elecena.pl

Internal-Switch Boost Regulator with Integrated 3-Channel Scan Driver for TFT LCDs

Analog Devices

Internal-Switch Boost Regulator with Integrated 3-Channel Scan Driver for TFT LCDs RSS Sample
  • Darmowa próbka
MPN:
MAX8798
Producent:
ANALOG DEVICES
Dodany do bazy:
Ostatnio widziany:

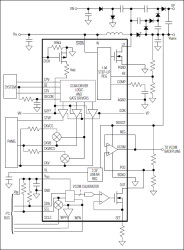
The MAX8798 includes a high-performance, step-up regulator; a high-speed operational amplifier; a digitally adjustable VCOM calibration device with nonvolatile memory; an I²C interface; and a high-voltage, level-shifting scan driver. The device is optimized for thin-film transistor (TFT) liquid-crystal display (LCD) applications.

The step-up DC-DC converter provides the regulated supply voltage for panel source driver ICs. The high switching frequency allows the use of ultra-small inductors and ceramic capacitors. The current-mode control architecture provides fast transient response to pulsed loads typical of source driver loads. The step-up regulator features soft-start and current limit.

The high-current operational amplifier is designed to drive the LCD backplane (VCOM). The amplifier features high output current (±150mA), fast slew rate (45V/µs), wide bandwidth (20MHz), and rail-to-rail inputs and outputs.

The programmable VCOM calibrator is externally attached to the VCOM amplifier’s resistive voltage-divider and sinks a programmable current to adjust the VCOM output-voltage level. An internal 7-bit digital-to-analog converter (DAC) controls the sink current. The DAC is ratiometric relative to BOOST and is guaranteed to be monotonic over all operating conditions. The calibrator IC includes an EEPROM to store the desired VCOM voltage level. The 2-wire I²C interface between the LCD panel and the programming circuit minimizes panel connector lead count and simplifies production equipment.

The high-voltage, level-shifting scan driver is designed to drive the TFT panel gate drivers. Its three outputs swing 65V (maximum) between +45V (maximum) and -25V (minimum) and can swiftly drive capacitive loads. To save power, the two complementary outputs are designed to allow charge sharing during state changes.

The MAX8798 is available in a 36-pin, thin QFN package with a maximum thickness of 0.8mm for ultra-thin LCD panels.

Applications

* LCD Monitor Panels * Notebook Computer Displays

* 1.8V to 5.5V IN Supply Voltage Range

* 1.8V to 4.0V VDD Input Voltage Range

* 1.2MHz Current-Mode Step-Up Regulator

* Fast Transient Response

* Built-In 20V, 1.9A, 150mΩ MOSFET

* High-Speed (20MHz) Operational Amplifier

* ±150mA Output Current

* High-Voltage Drivers with Scan Logic

* +45V to -25V Outputs

* 65V (maximum) Swing

* Output Charge Sharing

* Programmable VCOM Calibrator

* 7-Bit Adjustable Current-Sink Output

* I²C Interface

* EEPROM Setting Memory

* Thermal-Overload Protection

Elecena nie prowadzi sprzedaży elementów elektronicznych, ani w niej nie pośredniczy.

Produkt pochodzi z oferty sklepu