elecena.pl

High-Efficiency, 6-String, White-LED (WLED) Driver with Active Current Balancing for LCD Panel Applications

Analog Devices

High-Efficiency, 6-String, White-LED (WLED) Driver with Active Current Balancing for LCD Panel Applications RSS Sample
  • Darmowa próbka
MPN:
MAX8790
Producent:
ANALOG DEVICES
Dodany do bazy:
Ostatnio widziany:

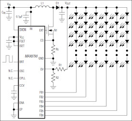
The MAX8790 is a high-efficiency driver for white-light-emitting diodes (LEDs). It is designed for large liquid-crystal displays (LCDs) that employ an array of LEDs as the light source. A current-mode step-up controller drives up to six parallel strings of multiple series-connected LEDs. Each string is terminated with ballast that achieves ±1.5% current regulation accuracy, ensuring even brightness for all LEDs. The MAX8790 has a wide input-voltage range from 4.5V to 26V, and provides a fixed 20mA or adjustable 15mA to 25mA full-scale LED current.

The MAX8790 has two dimming control modes to enable a wide variety of applications. In direct DPWM mode, the LED current is directly turned on and off by a PWM signal. In analog dimming mode, an internal phase-locked loop (PLL) circuit translates the PWM signal into an analog signal and linearly controls the LED current down to 12.5%. Below 12.5%, digital dimming is added to allow lower average LED current down to 1%. Both control methods provide 100:1 dimming range. The MAX8790 has multiple features to protect the controller from fault conditions. Separate feedback loops limit the output voltage if one or more LEDs fail open or short. The controller features cycle-by-cycle current limit to provide consistent operation and soft-start capability. A thermal- shutdown circuit provides another level of protection.

The step-up controller uses an external MOSFET, which provides good efficiency and allows for scalable output power and maximum operating voltage. Low feedback voltage at each LED string (450mV) helps reduce power loss. The MAX8790 features selectable switching frequency (500kHz, 750kHz, or 1MHz), which allows trade-offs between external component size and operating efficiency.

The MAX8790 is available in a thermally enhanced, lead-free, 20-pin, 4mm x 4mm, Thin QFN package.

Applications

* Handy Terminals

* Drives Six Parallel Strings with Multiple Series- Connected LEDs per String

* ±1.5% Current Regulation Accuracy Between Strings

* Low 450mV Feedback Voltage at Full Current Improves Efficiency

* Step-Up Controller Regulates the Output Just Above the Highest LED String Voltage

* Full-Scale LED Current Adjustable from 15mA to 25mA, or Preset 20mA

* Wide 100:1 Dimming Range

* Programmable Dimming Control: Direct DPWM or Analog Dimming

* Built-In PLL for Synchronized Dimming Control

* Open and Short LED Protections

* Output Overvoltage Protection

* Wide Input Voltage Range from 4.5V to 26V

* External MOSFET Allows a Large Number of LEDs per String

* 500kHz/750kHz/1MHz Switching Frequency

* Small, 20-Pin, 4mm x 4mm Thin QFN Package

Elecena nie prowadzi sprzedaży elementów elektronicznych, ani w niej nie pośredniczy.

Produkt pochodzi z oferty sklepu