elecena.pl

Low-Cost Multichemistry Battery Chargers

Analog Devices

Low-Cost Multichemistry Battery Chargers RSS Sample
  • Darmowa próbka
MPN:
MAX8765
Producent:
ANALOG DEVICES
Dodany do bazy:
Ostatnio widziany:
Zmiana ceny:
-100% (21.01.2025)
Poprzednia cena:
6.78

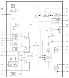
The MAX1908/MAX8724/MAX8765/MAX8765A highly integrated, multichemistry battery-charger control ICs simplify the construction of accurate and efficient chargers. These devices use analog inputs to control charge current and voltage, and can be programmed by the host or hardwired. The MAX1908/MAX8724/MAX8765/MAX8765A achieve high efficiency using a buck topology with synchronous rectification.

The MAX1908/MAX8724/MAX8765/MAX8765A feature input current limiting. This feature reduces battery charge current when the input current limit is reached to avoid overloading the AC adapter when supplying the load and the battery charger simultaneously. The MAX1908/MAX8724/MAX8765/MAX8765A provide outputs to monitor current drawn from the AC adapter (DC input source), battery-charging current, and the presence of an AC adapter. The MAX1908's conditioning charge feature provides 300mA to safely charge deeply discharged lithium-ion (Li+) battery packs.

The MAX1908 includes a conditioning charge feature while the MAX8724/MAX8765/MAX8765A do not.

The MAX1908/MAX8724/MAX8765/MAX8765A charge two to four series Li+ cells, providing more than 5A, and are available in a space-saving, 28-pin, thin QFN package (5mm x 5mm). An evaluation kit is available to speed designs.

Applications

* Handheld Terminals * Notebook and Subnotebook Computers * Personal Digital Assistants (PDAs)

* ±0.5% Output Voltage Accuracy Using Internal Reference (±0.4% for MAX8765A, 2-/3-Cell Only)

* ±4% Accurate Input Current Limiting

* ±5% Accurate Charge Current

* Analog Inputs Control Charge Current and Charge Voltage

* Outputs for Monitoring

* Current Drawn from AC Adapter

* Charging Current

* AC Adapter Presence

* Up to 17.6V Battery-Voltage Set Point

* Maximum 28V Input Voltage

* > 95% Efficiency

* Shutdown Control Input

* Charge Any Battery Chemistry

* Li+, NiCd, NiMH, Lead Acid, etc.

Elecena nie prowadzi sprzedaży elementów elektronicznych, ani w niej nie pośredniczy.

Produkt pochodzi z oferty sklepu