elecena.pl

Fixed-Frequency, Full-Bridge CCFL Inverter Controller

Analog Devices

Fixed-Frequency, Full-Bridge CCFL Inverter Controller RSS Sample
  • Darmowa próbka
MPN:
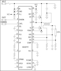
MAX8751
Producent:
ANALOG DEVICES
Dodany do bazy:
Ostatnio widziany:

The MAX8751 cold-cathode-fluorescent lamp (CCFL) inverter controller is designed to drive multiple CCFLs using the fixed-frequency, full-bridge inverter topology. The MAX8751 operates in resonant mode during striking and switches over to constant-frequency operation after all the lamps are lit. This unique feature ensures reliable striking under all conditions and reduces the transformer stress.

The MAX8751 can drive large power MOSFETs typically used in applications where one power stage drives four or more CCFL lamps in parallel. An internal 5.35V linear regulator powers the MOSFET drivers and most of the internal circuitry. The controller operates over a wide input-voltage range (6V to 28V) with high power to light efficiency. The device also includes safety features that effectively protect against many single-point fault conditions, including lamp-out and short-circuit conditions.

The MAX8751 achieves a 10:1 dimming range by "chopping" the lamp current on and off using the digital pulse-width modulation (DPWM) method. The DPWM frequency can be accurately adjusted with a resistor or synchronized to an external signal. The brightness is controlled by an analog voltage on the CNTL pin.

The MAX8751 is capable of synchronizing and adjusting the phase of the gate drivers and DPWM oscillator. These features allow multiple MAX8751 ICs to be connected in a daisy-chain configuration. The switching frequency and DPWM frequency can be easily adjusted using external resistors, or synchronized with system signals. If the controller loses the external sync signals, it switches over to the internal oscillators and keeps operating. Phase-shift select pins PS1 and PS2 can be used to program up to four different phase shifts, allowing up to five MAX8751s to be used together.

The MAX8751 is available in a low-profile, 32-pin TQFN package and operates over the -40°C to +85°C temperature range.

Applications

* LCD Monitors * LCD TVs * Notebook Computers

* All n-Type MOSFET Low-Cost, Full-Bridge, Fixed-Frequency Inverter Topology for Highest Efficiency

* Resonant-Mode Striking Ensures Startup

* Strong Gate Drivers Can Easily Drive Large External MOSFETs for Multilamp Applications

* Adjustable DPWM Frequency with Sync and Phase-Shift Capability

* 10:1 Dimming Range with Accurate Analog Interface

* Lamp-Out Detection with Adjustable Timeout

* Secondary Current Limit with Adjustable Timeout

* Adjustable Secondary Voltage Limiting

* Adjustable DPWM Rise and Fall Time

* Wide Input Voltage Range (6V to 28V)

* 32-Pin TQFN Package

Elecena nie prowadzi sprzedaży elementów elektronicznych, ani w niej nie pośredniczy.

Produkt pochodzi z oferty sklepu