elecena.pl

Low-Cost CCFL Backlight Controller

Analog Devices

Low-Cost CCFL Backlight Controller RSS Sample
  • Darmowa próbka
MPN:
MAX8722C
Producent:
ANALOG DEVICES
Dodany do bazy:
Ostatnio widziany:

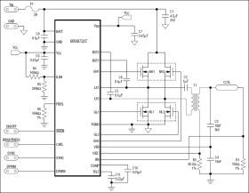
The MAX8722C integrated backlight controller is optimized to drive cold-cathode fluorescent lamps (CCFLs) using a full-bridge resonant inverter architecture. Resonant operation maximizes striking capability and provides near-sinusoidal waveforms over the entire input range to improve CCFL lifetime. The controller operates over a wide input voltage range (4.6V to 28V) with high power to light efficiency. The device also includes safety features that effectively protect against many single-point fault conditions including lamp-out and short-circuit faults.

The MAX8722C achieves 10:1 dimming range by "chopping" the lamp current on and off using a digital pulse-width modulation (DPWM) method. The DPWM frequency can be accurately adjusted with a resistor or synchronized to an external signal. The brightness is controlled by an analog voltage on the CNTL pin. The device directly drives the four external n-channel power MOSFETs of the full-bridge inverter. An internal 5.4V linear regulator powers the MOSFET drivers, the DPWM oscillator, and most of the internal circuitry. The MAX8722C is available in a low-cost, 24-pin QSOP package and operates over a -40°C to +85°C temperature range.

Applications

* LCD Monitors * LCD TVs * Notebook Computer Displays

* Synchronized to Resonant Frequency

* Longer Lamp Life

* Guaranteed Striking Capability

* High Power to Light Efficiency

* Wide Input Voltage Range (4.6V to 28V)

* Input-Voltage Feed-Forward for Excellent Line Rejection

* Accurate Dimming Control with Analog Interface

* 10:1 Dimming Range

* Adjustable Accurate DPWM Frequency with Sync Function

* Adjustable Lamp Current Rise and Fall Time

* Secondary Voltage Limit Reduces Transformer Stress

* Lamp-Out Protection with Adjustable Timeout

* Secondary Overcurrent Protection with Adjustable Timeout

* Low-Cost, 24-Pin QSOP Package

Elecena nie prowadzi sprzedaży elementów elektronicznych, ani w niej nie pośredniczy.

Produkt pochodzi z oferty sklepu