elecena.pl

Dynamically Adjustable 6-Bit VID Step-Down Controller

Analog Devices

Dynamically Adjustable 6-Bit VID Step-Down Controller RSS Sample
  • Darmowa próbka
MPN:
MAX8720
Producent:
ANALOG DEVICES
Dodany do bazy:
Ostatnio widziany:

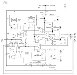
The MAX8720 step-down controller is intended for core CPU DC-DC converters in notebook computers. It features a dynamically adjustable output, ultra-fast transient response, high DC accuracy, and the high efficiency needed for leading-edge CPU core power supplies. Maxim's proprietary Quick-PWM™ quick-response, constant-on-time, PWM control scheme handles wide input/output voltage ratios with ease and provides 100ns "instant-on" response to load transients while maintaining a relatively constant switching frequency.

The output voltage can be dynamically adjusted through the 6-bit digital-to-analog converter (DAC) over a 0.275V to 1.850V range in 25mV steps. The MAX8720 has independent four-level logic inputs for setting the suspend voltage (S0–S1). Precision slew-rate control provides "just-in-time" arrival at the new DAC setting, minimizing surge currents to and from the battery. The internal DAC of the MAX8720 is synchronized to the slew-rate clock for improved operation under aggressive power management of newer chipsets and operating systems that can make incomplete mode transitions. Remote feedback and ground-sense inputs allow easy compensation for IR drops in PC board traces.

Single-stage buck conversion allows these devices to directly step down high-voltage batteries for the highest possible efficiency. Alternatively, two-stage conversion (stepping down the 5V system supply instead of the battery) at a higher switching frequency allows the minimum possible physical size.

The MAX8720 is available in a 28-pin QSOP or 36-pin 6mm x 6mm thin QFN package.

Applications

* CPU Core Supply Converters * GPU Core Supply Converters * Notebook and Subnotebook Computers

* Quick-PWM Architecture

* ±1% VOUT Accuracy Over Line and Load

* 6-Bit On-Board DAC with Input Muxes

* Precision-Adjustable VOUT Slew Control

* 0.275V to 1.850V Output Adjust Range

* Remote Feedback and Ground Sense

* Supports Voltage-Positioned Applications

* 2V to 28V Battery Input Range

* 200kHz/300kHz/550kHz/1000kHz Switching Frequency

* Over/Undervoltage Protection

* Drives Large Synchronous-Rectifier FETs

* 800µA (typ) ICC Supply Current

* 10µA (typ) Shutdown Supply Current

* 2V ±0.75% Reference Output

* PGOOD Blanking During Transition

Elecena nie prowadzi sprzedaży elementów elektronicznych, ani w niej nie pośredniczy.

Produkt pochodzi z oferty sklepu