elecena.pl

4.5V to 28V Input Current-Mode Step-Down Controller with Adjustable Frequency

Analog Devices

4.5V to 28V Input Current-Mode Step-Down Controller with Adjustable Frequency RSS Sample
  • Darmowa próbka
MPN:
MAX8650
Producent:
ANALOG DEVICES
Dodany do bazy:
Ostatnio widziany:

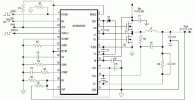
The MAX8650 synchronous PWM buck controller operates from a 4.5V to 28V input and generates an adjustable 0.7V to 5.5V output voltage at loads up to 25A.

The MAX8650 uses a peak current-mode control architecture with an adjustable (200kHz to 1.2MHz) constant switching frequency and is externally synchronizable. The IC's current limit uses the inductor's DC resistance to improve efficiency or an external sense resistor for high accuracy. The current-limit threshold is adjusted with an external resistor. Foldback-type current limit can be implemented to reduce the power dissipation in overload or short-circuit conditions. Short-circuit protection is provided based on sensing the current in the low-side MOSFET. A reference input is provided for use with a high-accuracy external reference or for double-data-rate (DDR)-tracking applications.

Monotonic prebiased startup is available for a safe-start in applications where the output capacitor may have an initial charge. This feature prevents the output from pulling low during startup, which is a common characteristic of conventional buck regulators.

A 180° out-of-phase synchronization output is available for synchronizing with another converter.

Applications

* Base Stations * DDR * IBA Applications * Network and Telecom * Power Modules * Servers * Storage

* Operates from 4.5V to 28V Supply

* 1% FB Voltage Accuracy Over Temperature

* Adjustable Output Voltage Down to 0.7V or REFIN

* Adjustable Switching Frequency or External Synchronization from 200kHz to 1.2MHz

* 180° Phase-Shifted Clock Output

* Adjustable Overcurrent Limit

* Adjustable Foldback Current Limit

* Adjustable Slope Compensation

* Selectable Current-Limit Mode: Latch-Off or Automatic Recovery

* Monotonic Output-Voltage Rise at Startup

* Output Sources and Sinks Current

* Enable Input

* Power-OK (POK) Output

* Adjustable Soft-Start

* Independently Adjustable Overvoltage Protection

Elecena nie prowadzi sprzedaży elementów elektronicznych, ani w niej nie pośredniczy.

Produkt pochodzi z oferty sklepu