elecena.pl

High-Bandwidth LTE/WCDMA PA Power Management ICs in a 1.75mm x 1.4mm, 0.4mm Pitch WLP

Analog Devices

High-Bandwidth LTE/WCDMA PA Power Management ICs in a 1.75mm x 1.4mm, 0.4mm Pitch WLP RSS Sample
  • Darmowa próbka
MPN:
MAX77179
Producent:
ANALOG DEVICES
Dodany do bazy:
Ostatnio widziany:

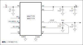
The MAX77178/MAX77179 step-down converters are optimized for powering the power amplifier (PA) in multimode/multiband handsets for 3G/4G applications such as LTE, WCDMA, as well as other RF PA applications such as Wi-Fi® and WiMAX®.

The 2.5V to 5.5V input supply range supports both current and future battery chemistries. The MAX77179 uses an analog input driven by an external DAC to control the output voltage linearly for continuous PA power adjustment. The output voltage range (0.5V to VIN) supports operation with a wide variety of PAs. The MAX77178 uses a 2-bit GPIO interface with four selectable output voltage options to control the output voltage supply for PA power adjustment.

Fast switching frequency (8MHz (typ)) allows the use of low value inductor and small ceramic output capacitors while maintaining low-ripple voltage. Efficiency is enhanced at light loads by switching to skip mode where the converter switches only as needed to service the load. Adaptive smart FET scaling further improves efficiency under all operating conditions.

Other features include overcurrent and overtemperature protection, and a very low-current (0.1µA (typ)) shutdown mode. Applications

* LTE, WCDMA Cell Phones/Smartphones/Tablets/Data Cards

* Meets 3G/4G Timing and RF Spectrum Mask Requirements

* 20µs (typ) Settling Time for 0.5V to 3.4V Output Voltage Change

* 30µs (typ) Settling from Enable to 95% Output Voltage Regulation

* Four Selectable Output Voltages with Logic Inputs (MAX77178 Only)

* Analog Controlled Output Voltage Settings from 0.5V to VIN (MAX77179 Only)

* 1A Peak Output Current Capability

* ±3% Output Voltage Accuracy

* Allows Use of Small (1210) 0.47µH Inductor

* 100% Duty-Cycle Operation

* Simple Logic On/Off Controls

* < 1µA Shutdown Supply Current

* 2.5V to 5.5V Supply Voltage Range

* Overcurrent and Overtemperature Protection

Elecena nie prowadzi sprzedaży elementów elektronicznych, ani w niej nie pośredniczy.

Produkt pochodzi z oferty sklepu