elecena.pl

2.5V to 5.5V, 5A Reversible Buck/Boost Regulator for Backup Applications

Analog Devices

2.5V to 5.5V, 5A Reversible Buck/Boost Regulator for Backup Applications RSS Sample
  • Darmowa próbka
MPN:
MAX38890
Producent:
ANALOG DEVICES
Dodany do bazy:
Ostatnio widziany:
Zmiana ceny:
-100% (19.01.2025)
Poprzednia cena:
2.87

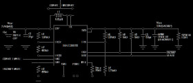
The MAX38890 is a flexible storage capacitor or capacitor bank backup regulator transferring power efficiently between a storage element and a system supply rail.

When the main supply is present and its voltage is above the minimum threshold system supply voltage, the regulator operates in charging mode and charges the storage element with a maximum 5A peak, 2.5A average inductor current. Once the storage element is charged, the circuit draws only 4μA of current while maintaining the storage element in its ready state. The supercapacitor needs to be fully charged to enable backup operation.

When the main supply is removed, the regulator prevents the system from dropping below the set system backup operating voltage, boosting the supercapacitor voltage to a regulated VSYS by discharging the storage element with a maximum 5A peak inductor current. During this backup mode of operation, the MAX38890 utilizes an adaptive on-time, current-limited, pulse-frequency-modulation (PFM) control scheme. Once the MAX38890 is in backup mode, the BKB flag is low.

The external pins allow various settings such as maximum supercapacitor voltage, system backup voltage (VSYS), and peak inductor charge and discharge current. The MAX38890 implements a True ShutdownTM feature, disconnecting SYS from CAP as well as protecting against a SYS short if VCAP > VSYS.

Charging and backup can be disabled by keeping the ENC and ENB pins low, respectively. The backup system status can be monitored through two status outputs: the RDY flag that indicates when the supercapacitor is charged and the BKB flag that indicates when backup operation is occurring.

APPLICATIONS

* Handheld Industrial Equipment

* Portable Devices/Computers with Removable Battery

* Industrial Sensor and Actuators

* Aftermarket Automotive Tracking

* 2.5V to 5.5V System Output Voltage Range

* 0.5V to 5.5V Supercapacitor Voltage Range

* ±1% Threshold Accuracy

* 2.5% Hysteresis between Backup and Charging

* 1A to 5A Peak Inductor Current Limit

* Peak Inductor Current Is Pin-Programmable over 1A to 5A through External Resistor

* 94% Peak Efficiency, Charging or Discharging Mode

Elecena nie prowadzi sprzedaży elementów elektronicznych, ani w niej nie pośredniczy.

Produkt pochodzi z oferty sklepu