elecena.pl

48 Gbps HDMI 1:1 Transceiver

Analog Devices

48 Gbps HDMI 1:1 Transceiver RSS Sample
  • Darmowa próbka
MPN:
ADV7671A
Producent:
ANALOG DEVICES
Dodany do bazy:
Ostatnio widziany:

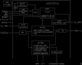
The ADV7671A is a High-Definition Multimedia Interface (HDMI®) transceiver.

The ADV7671A supports 48 Gbps fixed rate link (FRL) and 18 Gbps transition minimized differential signaling (TMDS) video rates. The ADV7671A provides an HDMI receiver port, an HDMI transmitter port, an audio input port, an audio output port, and an enhanced audio return channel (eARC) interface.

The HDMI receiver and transmitter support up to uncompressed 8k at 60 Hz (8k60) YCbCr 4:2:0 12-bit video, 8k at 30 Hz (8k30) RGB 12-bit video, and 4k at 120 Hz (4k120) RGB 12-bit high frame rate video, with Digital Visual Interface (DVI) compatibility.

The audio input and output ports support 8‑channel at 192 kHz, 16-Channel at 96 kHz, and 32-Channel at 48 kHz linear pulse code modulation (LPCM). The ADV7671A audio ports also support compressed audio formats.

The eARC interface can be configured as either an eARC transmitter or an eARC receiver. The eARC interface supports 8-channel, 192 kHz LPCM audio, and high bit rate audio (HBR) compressed audio formats including 1-bit Direct Stream Digital® (DSD) audio, Dolby Atmos™, Dolby TrueHD™, and DTS-HD™.

The ADV7671A supports passthrough of Display Stream Compression (DSC) 1.2a data and high dynamic range (HDR) metadata passthrough for HDMI dynamic HDR, HDR10+, and Dolby Vision™.

The ADV7671A implements the High-bandwidth Digital Content Protection (HDCP) 2.3 specification to protect the delivery of premium content. HDCP 2.3 is backward compatible with HDCP 2.2. and supports HDCP 1.4 to provide interoperability with legacy devices.

The ADV7671A has an integrated on-screen display (OSD) generator that enables the creation and control of high quality character and icon-based system status and control displays. The OSD can be overlaid on uncompressed video formats up to 8k/10k.

The ADV7671A is configured via I2C/serial peripheral interface (SPI) using a high level host controller application programming interface (API).

The ADV7671A is provided in a 108-lead lead frame chip scale package (LFCSP) with exposed pad and is specified over the 0°C to 70°C temperature range.

To sample or purchase the ADV7671A, customers must be licensed HDMI 2.1 adopters through HDMI Licensing Administrator, Inc., and licensed HDCP 2.x adopters through Digital Content Protection, LLC (DCP).

Applications

* Audio video receivers

* Soundbars

* 1-input, 1-output HDMI transceiver, uncompressed video support

up to

* 8k60 YCbCr 4:2:0 ,12-bit

* 8k30 RGB/YCbCr 4:4:4/4:2:2 ,12-bit

* 4k120 RGB 4:4:4 ,12-bit

* 4k240, YCbCr 4:2:0, 12-bit

* HDMI receiver

* Up to 48 Gbps FRL support

* Up to 18 Gbps TMDS video support

* eARC transmitter

* On-chip, 4-block EDID SRAM managed by external MCU host

processor through API

* HDMI transmitter

* Up to 48 Gbps FRL support

* Up to 18 Gbps TMDS video support

* eARC receiver

* HDCP

* HDCP 1.4 and HDCP 2.3 support

* Independent HDCP support on transmitter and receiver ports

* Fully integrated HDCP 1.4 and HDCP 2.3 repeater modes

* On-chip key storage in OTP memory

Elecena nie prowadzi sprzedaży elementów elektronicznych, ani w niej nie pośredniczy.

Produkt pochodzi z oferty sklepu