elecena.pl

Inverting 1.2MHz/2.7MHz DC/DC Converters with Integrated Schottky

Analog Devices

Inverting 1.2MHz/2.7MHz DC/DC Converters with Integrated Schottky RSS Sample
  • Darmowa próbka
MPN:
LT3462
Producent:
ANALOG DEVICES
Dodany do bazy:
Ostatnio widziany:
Zmiana ceny:
-100% (17.01.2025)
Poprzednia cena:
2.75

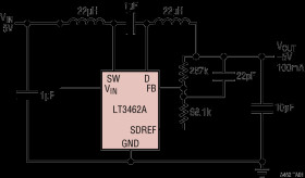
The LT3462/LT3462A are general purpose fixed frequency current mode inverting DC/DC converters. Both devices feature an integrated Schottky and a low VCESAT switch allowing a small converter footprint and lower parts cost. The LT3462 switches at 1.2MHz while the LT3462A switches at 2.7MHz. These high speeds enable the use of tiny, low cost and low height capacitors and inductors.

The LT3462/LT3462A operate in a dual inductor inverting topology that filters both the input and output currents.Very low output voltage ripple approaching 1mVP-P can be achieved when ceramic capacitors are used. Fixed frequency switching ensures a clean output free from low frequency noise typically present with charge pump solutions.The 40V switch allows a VIN to VOUT differential ofup to 38V for dual inductor topologies.

Both devices provide a low impedance 1.265V reference output to supply the feedback resistor network. A ground referenced, high impedance FB input allows high feedback resistor values without compromising output accuracy.

Applications

* CCD Bias

* LCD Bias

* GaAs FET Bias

* General Purpose Negative Voltage Supply

* Integrated Schottky Rectifier

* Fixed Frequency 1.2MHz/2.7MHz Operation

* Very Low Noise: 1mVP-P Output Ripple

* Low VCESAT Switch: 270mV at 250mA

* −5V at 100mA from 5V Input

* −12V at 30mA from 3.3V Input

* Low Input Bias Current GND Based FB Input

* Low Impedance (40Ω) 1.265V Reference Output

* High Output Voltage: Up to −38V

* Wide Input Range: 2.5V to 16V

* Uses Tiny Surface Mount Components

* Low Shutdown Current: <10µA

* Low Profile (1mm) SOT-23 (ThinSOT™) Package

* 8‑Lead DFN (2mm × 2mm × 0.75mm) Package, LT3462A Only

Elecena nie prowadzi sprzedaży elementów elektronicznych, ani w niej nie pośredniczy.

Produkt pochodzi z oferty sklepu