elecena.pl

−48 V Hot Swap Controller and Digital Power Monitor with PMBus Interface

Analog Devices

−48 V Hot Swap Controller and Digital Power Monitor with PMBus Interface RSS Sample
  • Darmowa próbka
MPN:
ADM1075
Producent:
ANALOG DEVICES
Dodany do bazy:
Ostatnio widziany:
Zmiana ceny:
-100% (20.01.2025)
Poprzednia cena:
7.75

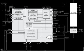
The ADM1075 is a full feature, negative voltage, hot swap controller with constant power foldback and high accuracy digital current and voltage measurement that allows boards to be safely inserted and removed from a live -48 V backplane. The part provides precise and robust current limiting and protection against both transient and nontransient short circuits and overvoltage and undervoltage conditions. The ADM1075 typically operates from a negative voltage of -35 V to -80 V and, due to shunt regulation, has excellent voltage transient immunity. The operating range of the part is flexible due to the shunt regulator, and the part can be powered directly by a 10 V rail to save shunt power dissipation (see the Powering the ADM1075 section for more details).

A full-scale current limit of 25 mV or 50 mV can be selected by choosing the appropriate model. The maximum current limit is set by the combination of the sense resistor, RSENSE, and the input voltage on the ISET pin, using external resistors. This allows fine tuning of the trip voltage so that standard sense resistors can be used. Inrush current is limited to this programmable value by controlling the gate drive of an external N-channel FET. A builtin soft start function allows control of the inrush current profile by an external capacitor on the soft start (SS) pin.

Refer to the datasheet for more information.

PRODUCT HIGHLIGHTS

* Constant Power Foldback.

Maximum FET power set by a PLIM resistor divider. This

eases complexity when designing to maintain FET SOA.

* Adjustable Current Limit.

The current limit is adjustable via the ISET pin allowing for

the use of a standard value sense resistor.

* 12-Bit ADC.

Accurate voltage, current, and power measurements. Also

enables calculation of energy consumption over time.

* PMBus Interface.

PMBus fast mode compliant interface used to read back

status and data registers and set warning and fault limits.

* Fault Recording.

Latched status registers provide useful debugging information

to help trace faults in high reliability systems.

* Built-In Soft Start.

Soft start capacitor controls inrush current profile with

di/dt control.

APPLICATIONS

* Telecommunication and data communication equipment

* Central office switching

* -48 V distributed power systems

* Negative power supply control

* High availability servers

* Constant power foldback for FET SOA protection

* Precision (<1.0%) current and voltage measurement

* Controls inrush and faults for negative supply voltages

* Suitable for wide input range due to internal shunt regulator

* 25 mV/50 mV full-scale sense voltage

* Fine tune current limit to allow use of standard sense resistor

* Soft start inrush current limit profiling

* 1% accurate UVH and OV pins, 1.5% accurate UVL pin

* PMBus interface for control, telemetry, and fault recording

* 28-lead TSSOP

* -40°C to 105°C junction temperature (TJ) operating range

Elecena nie prowadzi sprzedaży elementów elektronicznych, ani w niej nie pośredniczy.

Produkt pochodzi z oferty sklepu