elecena.pl

SIMPLE SWITCHER® 40V, 500mA Low Component Count Step-Down Regulator

Texas Instruments

SIMPLE SWITCHER® 40V, 500mA Low Component Count Step-Down Regulator RSS Sample
  • Darmowa próbka
MPN:
LM2674
Producent:
TEXAS INSTRUMENTS
Dodany do bazy:
Ostatnio widziany:

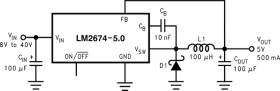
The LM2674 series of regulators are monolithic integrated circuits built with a LMDMOS process. These regulators provide all the active functions for a step-down (buck) switching regulator, capable of driving a 500mA load current with excellent line and load regulation. These devices are available in fixed output voltages of 3.3V, 5V, 12V, and an adjustable output version.

Requiring a minimum number of external components, these regulators are simple to use and include patented internal frequency compensation and a fixed frequency oscillator.

The LM2674 series operates at a switching frequency of 260kHz, thus allowing smaller sized filter components than what is required with lower frequency switching regulators. Because of very high efficiency (> 90%), the copper traces on the printed-circuit board are the only heat sinking required.

A family of standard inductors for use with the LM2674 are available from several different manufacturers. This feature greatly simplifies the design of switch-mode power supplies using these advanced ICs. Also included in the data sheet are selector guides for diodes and capacitors designed to work in switch-mode power supplies.

Other features include a specified ±1.5% tolerance on output voltage within specified input voltages and output load conditions, and ±10% on the oscillator frequency. External shutdown is included, featuring typically 50µA standby current. The output switch includes current limiting, as well as thermal shutdown for full protection under fault conditions.

Elecena nie prowadzi sprzedaży elementów elektronicznych, ani w niej nie pośredniczy.

Produkt pochodzi z oferty sklepu