elecena.pl

5-V to 30-V hysteretic synchronous buck controller

Texas Instruments

5-V to 30-V hysteretic synchronous buck controller RSS Sample
  • Darmowa próbka
MPN:
LM27213
Producent:
TEXAS INSTRUMENTS
Dodany do bazy:
Ostatnio widziany:

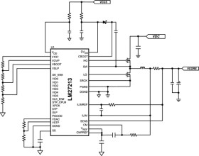
The LM27213 is a single-phase synchronous buck regulator controller designed to fully support a portable microprocessor. On-chip gate drive makes for a compact, single chip solution. Output currents in excess of 25 Amps are possible.

The IC employs a current mode hysteretic control mechanism. Inductor current is sensed through a low value sense resistor.

The LM27213 will operate over an input voltage range of 5V to 30V. The output voltage is programmed through 6 Voltage Identification (VID) pins and ranges from 0.700V to 1.708V in 64 steps.

Since the error in the output voltage directly sets the inductor current, the dynamic response to a large, fast load transient is close to a square wave. This is optimal for mode transition requirements. Also, due to the intrinsic input voltage feedforward characteristic of hysteretic control, the line transient response is excellent as well.

The IC provides cycle-by-cycle peak current limit, over-voltage protection, and a power good signal. The LM27213 fully supports the Stop CPU and Sleep modes offered by some processors. When enabled, the IC enters a power-saving “diode emulator” mode which helps prolong battery runtime for portable systems.

The LM27213 also has a soft start feature for the external adjustment of soft start speed.

Elecena nie prowadzi sprzedaży elementów elektronicznych, ani w niej nie pośredniczy.

Produkt pochodzi z oferty sklepu