elecena.pl

4.5-A, 30-V half bridge gate driver for synchronous/asynchronous drive

Texas Instruments

4.5-A, 30-V half bridge gate driver for synchronous/asynchronous drive RSS Sample
  • Darmowa próbka
MPN:
LM27222
Producent:
TEXAS INSTRUMENTS
Dodany do bazy:
Ostatnio widziany:

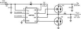
The LM27222 is a dual N-channel MOSFET driver designed to drive MOSFETs in push-pull configurations as typically used in synchronous buck regulators. The LM27222 takes the PWM output from a controller and provides the proper timing and drive levels to the power stage MOSFETs. Adaptive shoot-through protection prevents damaging and efficiency reducing shoot-through currents, thus ensuring a robust design capable of being used with nearly any MOSFET. The adaptive shoot-through protection circuitry also reduces the dead time down to as low as 10ns, ensuring the highest operating efficiency. The peak sourcing and sinking current for each driver of the LM27222 is about 3A and 4.5Amps respectively with a Vgs of 5V. System performance is also enhanced by keeping propagation delays down to 8ns. Efficiency is once again improved at all load currents by supporting synchronous, non-synchronous, and diode emulation modes through the LEN pin. The minimum output pulse width realized at the output of the MOSFETs is as low as 30ns. This enables high operating frequencies at very high conversion ratios in buck regulator designs. To support low power states in notebook systems, the LM27222 draws only 5µA from the 5V rail when the IN and LEN inputs are low or floating.

Elecena nie prowadzi sprzedaży elementów elektronicznych, ani w niej nie pośredniczy.

Produkt pochodzi z oferty sklepu