elecena.pl

High Current Software Configurable Multidisplay LED Controller

Analog Devices

High Current Software Configurable Multidisplay LED Controller RSS Sample
  • Darmowa próbka
MPN:
LTC3208
Producent:
ANALOG DEVICES
Dodany do bazy:
Ostatnio widziany:
Zmiana ceny:
-100% (19.01.2025)
Poprzednia cena:
3.43

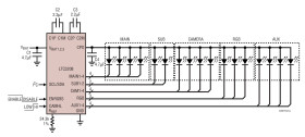
The LTC3208 is a highly integrated multidisplay LED controller. The part contains a 1A high effi ciency, low noise charge pump to provide power to the MAIN, SUB, RGB, CAM and AUX LED displays. The LTC3208 requires only 4 small ceramic capacitors and one current set resistor to form a complete LED power supply and current controller.

The maximum display currents are set by a single external resistor. Current for each LED is controlled by a precision internal current source. Dimming and On/Off for all displays is achieved via the I2C serial interface. 256 brightness levels are available for the MAIN and SUB displays. 16 levels are available for the RGB and CAM displays. Four AUX current sources can be independently assigned via the I2C port to the CAM, SUB, MAIN or AUX DAC controlled displays.

The LTC3208 charge pump optimizes effi ciency based on the voltage across the LED current sources. The part powers up in 1x mode and will automatically switch to boost mode whenever any enabled LED current source begins to enter dropout. The fi rst dropout switches the part into 1.5x mode and a subsequent dropout switches the LTC3208 into 2x mode. The part is available in a small 5mm × 5mm 32-lead QFN package.

Applications

* Video/Camera Phones with QVGA + Displays

* 1x/1.5x/2x Charge Pump Provides Up to 95% Efficiency

* Up to 1A Total Output Current

* 17 Current Sources Available as MAIN, SUB, RGB, CAM and AUX LED Drivers

* LED ON/OFF, Brightness Level and Display Configuration Programmable Using 2-Wire I2C™ Interface

* Low Noise Constant Frequency Operation with Flying Capacitor Edge Rate Control

* Automatic Charge Pump Mode Switching

* Internal Soft-Start Limits Inrush Current During

* Startup and Mode Switching

* Open/Shorted LED Protection

* Short-Circuit/Thermal Protection

* 256 Brightness States for MAIN and SUB Displays

* 4096 Color Combinations for the RGB Display

* 5mm × 5mm 32-Lead QFN Plastic Package

Elecena nie prowadzi sprzedaży elementów elektronicznych, ani w niej nie pośredniczy.

Produkt pochodzi z oferty sklepu