elecena.pl

200-mW, stereo, analog input, headphone amplifier

Texas Instruments

200-mW, stereo, analog input, headphone amplifier RSS Sample
  • Darmowa próbka
MPN:
LM4881
Producent:
TEXAS INSTRUMENTS
Dodany do bazy:
Ostatnio widziany:

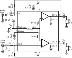
The LM4881 is a dual audio power amplifier capable of delivering 200mW of continuous average power into an 8Ω load with 0.1% THD+N from a 5V power supply.

Boomer audio power amplifiers were designed specifically to provide high quality output power with a minimal amount of external components using surface mount packaging. Since the LM4881 does not require bootstrap capacitors or snubber networks, it is optimally suited for low-power portable systems.

The LM4881 features an externally controlled, low power consumption shutdown mode which is virtually clickless and popless, as well as an internal thermal shutdown protection mechanism.

The unity-gain stable LM4881 can be configured by external gain-setting resistors.

Elecena nie prowadzi sprzedaży elementów elektronicznych, ani w niej nie pośredniczy.

Produkt pochodzi z oferty sklepu