elecena.pl

60V, 1.2A Synchronous Step-Down LED Driver

Analog Devices

60V, 1.2A Synchronous Step-Down LED Driver RSS Sample
  • Darmowa próbka
MPN:
LT8374/LT8374-1
Producent:
ANALOG DEVICES
Dodany do bazy:
Ostatnio widziany:

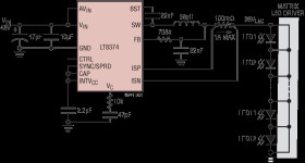
The LT8374/LT8374-1 is a high efficiency, monolithic, synchronous step-down DC/DC converter with fixed-frequency and peak current control. The LED current is programmed by a resistor from CTRL pin to ground or by applying a PWM signal to the CTRL pin. The current sense amplifier has a wide common mode range from 0V to VIN, making the LT8374 ideal for matrix applications. An output voltage limit can be set with a resistor from ISP pin to FB pin.

The switching frequency is set at 330kHz/2MHz and can be synchronized to an external clock applied to the SYNC/SPRD pin. With the optional spread-spectrum frequency modulation enabled, the frequency varies from 100% to 125% to reduce EMI.

Additional features include an optional 0.2nF/0.9nF internal compensation capacitor and thermal shutdown.

APPLICATIONS

* Automotive Lighting

* Matrix LED Lighting

* General Purpose LED Driver

* Current Sources

* Low Component Count and Simple Solution

* Wide Input Voltage Range: 6.5V to 60V

* 0V to 59V LED String Voltage

* ±3% LED Current Regulation

* Spread-Spectrum Frequency Modulation

* Internal Compensation Capacitor

* 20:1 Analog, Duty Cycle or PWM LED Current Control

Elecena nie prowadzi sprzedaży elementów elektronicznych, ani w niej nie pośredniczy.

Produkt pochodzi z oferty sklepu