Cascaded PWM controller with Hiccup mode
Texas Instruments
RSS
Sample
- Darmowa próbka
- MPN:
- LM5041
- Producent:
- TEXAS INSTRUMENTS
- Dodany do bazy:
- Ostatnio widziany:
Sugerowane produkty dla lm5102
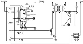
The LM5041 PWM controller contains all of the features necessary to implement either current-fed or voltage-fed push-pull or bridge power converters. These “Cascaded” topologies are well suited for multiple output and higher power applications. The LM5041’s four control outputs include: the buck stage controls (HD and LD) and the push-pull control outputs (PUSH and PULL). Push-pull outputs are driven at 50% nominal duty cycle at one half of the switching frequency of the buck stage and can be configured for either a specified overlap time (for current-fed applications) or a specified both-off time (for voltage-fed applications). Push-pull stage MOSFETs can be driven directly from the internal gate drivers while the buck stage requires an external driver such as the LM5102. The LM5041 includes a high-voltage start-up regulator that operates over a wide input range of 15V to 100V. The PWM controller is designed for high-speed capability including an oscillator frequency range up to 1 MHz and total propagation delays of less than 100ns. Additional features include: line Under-Voltage Lockout (UVLO), soft-start, an error amplifier, precision voltage reference, and thermal shutdown.
Elecena nie prowadzi sprzedaży elementów elektronicznych, ani w niej nie pośredniczy.
Produkt pochodzi z oferty sklepu Texas Instruments