elecena.pl

4.5-36V, Current Mode Dual Synchronous Buck Controller with Oscillator Synchronization

Texas Instruments

4.5-36V, Current Mode Dual Synchronous Buck Controller with Oscillator Synchronization RSS Sample
  • Darmowa próbka
MPN:
LM5642
Producent:
TEXAS INSTRUMENTS
Dodany do bazy:
Ostatnio widziany:

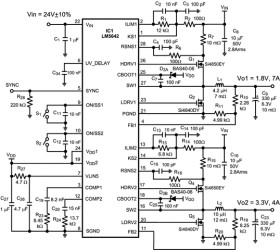
The LM5642 series consists of two current mode synchronous buck regulator controllers operating 180° out of phase with each other at a normal switching frequency of 200kHz for the LM5642 and at 375kHz for the LM5642X.

Out of phase operation reduces the input RMS ripple current, thereby significantly reducing the required input capacitance. The switching frequency can be synchronized to an external clock between 150 kHz and 250 kHz for the LM5642 and between 200 kHz and 500 kHz for the LM5642X. The two switching regulator outputs can also be paralleled to operate as a dual-phase, single output regulator.

The output of each channel can be independently adjusted from 1.3V to 90% of Vin. An internal 5V rail is also available externally for driving bootstrap circuitry.

Current-mode feedback control assures excellent line and load regulation and wide loop bandwidth for excellent response to fast load transients. Current is sensed across either the Vds of the top FET or across an external current-sense resistor connected in series with the drain of the top FET.

The LM5642 features analog soft-start circuitry that is independent of the output load and output capacitance making the soft-start behavior more predictable and controllable than traditional soft-start circuits.

Over-voltage protection is available for both outputs. A UV-Delay pin is also available to allow delayed shut off time for the IC during an output under-voltage event.

Elecena nie prowadzi sprzedaży elementów elektronicznych, ani w niej nie pośredniczy.

Produkt pochodzi z oferty sklepu