elecena.pl

Single/ Dual Ultra Low Noise Wideband Operational Amplifier

Texas Instruments

Single/ Dual Ultra Low Noise Wideband Operational Amplifier RSS Sample
  • Darmowa próbka
MPN:
LMH6626
Producent:
TEXAS INSTRUMENTS
Dodany do bazy:
Ostatnio widziany:

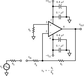
The LMH6624 and LMH6626 devices offer wide bandwidth (1.5 GHz for single, 1.3 GHz for dual) with very low input noise (0.92 nV/√Hz, 2.3 pA/√Hz) and ultra-low dc errors (100 µV VOS, ±0.1 µV/°C drift) providing very precise operational amplifiers with wide dynamic range. This enables the user to achieve closed-loop gains of greater than 10, in both inverting and non-inverting configurations.

The LMH6624 (single) and LMH6626 (dual) traditional voltage feedback topology provide the following benefits: balanced inputs, low offset voltage and offset current, very low offset drift, 81dB open loop gain, 95dB common mode rejection ratio, and 88dB power supply rejection ratio.

The LMH6624 and LMH6626 devices operate from ±2.5 V to ±6 V in dual supply mode and from 5 V to 12 V in single supply configuration.

LMH6624 is offered in SOT-23-5 and SOIC-8 packages. The LMH6626 is offered in SOIC-8 and VSSOP-8 packages.

Elecena nie prowadzi sprzedaży elementów elektronicznych, ani w niej nie pośredniczy.

Produkt pochodzi z oferty sklepu