elecena.pl

800-mA, 7-V, low-dropout voltage regulator with power good & enable

Texas Instruments

800-mA, 7-V, low-dropout voltage regulator with power good & enable RSS Sample
  • Darmowa próbka
MPN:
LP3871
Producent:
TEXAS INSTRUMENTS
Dodany do bazy:
Ostatnio widziany:

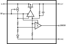
The LP3871 and LP3874 series of fast ultra-low-dropout linear regulators operate from a 2.5-V to 7-V input supply. Wide range of preset output voltage options are available. These ultra-low-dropout linear regulators respond very quickly to step changes in load, which makes them suitable for low voltage microprocessor applications. The devices are developed on a CMOS process which allows low quiescent current operation independent of output load current. This CMOS process also allows the LP3871 and LP3874 to operate under extremely low dropout conditions.

Dropout Voltage: Ultra-low-dropout voltage; typically 24 mV at 80-mA load current and 240 mV at 0.8-A load current.

Ground Pin Current: Typically 6 mA at 0.8-A load current.

Shutdown Mode: Typically 10-nA quiescent current when the SD pin is pulled low.

ERROR Flag: ERROR flag goes low when the output voltage drops 10% below nominal value.

SENSE: SENSE pin improves regulation at remote loads.

Precision Output Voltage: Multiple output voltage options are available ranging from 1.8 V to 5 V with a ensured accuracy of ±1.5% at room temperature, and ±3% over all conditions (varying line, load, and temperature).

Elecena nie prowadzi sprzedaży elementów elektronicznych, ani w niej nie pośredniczy.

Produkt pochodzi z oferty sklepu