Dock management controller
Texas Instruments
RSS
Sample
- Darmowa próbka
- MPN:
- TPS65982DMC
- Producent:
- TEXAS INSTRUMENTS
- Dodany do bazy:
- Ostatnio widziany:
Sugerowane produkty dla tps65982
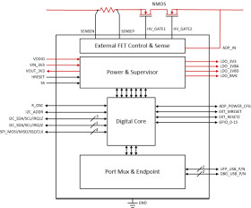
The TPS65982DMC is a dock management controller for docks, hubs, and monitors implementing TI PD controllers. The TPS65982DMC includes a USB Low Speed endpoint capable of receiving firmware updates for the systems PD controllers. The firmware update is performed securely using SHA-256 and RSA-3072 authentication. In addition the endpoint provides USB billboard functionality. The TPS65982 DMC integrates back to back NFET drivers for controlling the system power supply from an external adapter. The DMC monitors the current through the adapter input path as well as other points of the system and adjusts the power advertisement of managed PD controllers to ensure the external adapter is not overloaded. When included in USB4 systems the TPS65982DMC monitors the connection state of the upstream facing port and updates the connection state of the downstream facing ports to ensure consistent data behavior across the system.
Elecena nie prowadzi sprzedaży elementów elektronicznych, ani w niej nie pośredniczy.
Produkt pochodzi z oferty sklepu Texas Instruments