elecena.pl

3-V to 18-V input, 6-A synchronous step-down voltage regulator with pulse skip mode

Texas Instruments

3-V to 18-V input, 6-A synchronous step-down voltage regulator with pulse skip mode RSS Sample
  • Darmowa próbka
MPN:
TPS566231
Producent:
TEXAS INSTRUMENTS
Dodany do bazy:
Ostatnio widziany:

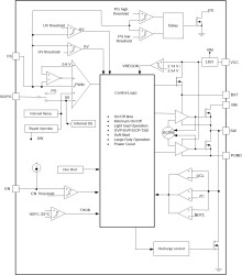
The TPS56623x are simple, easy-to-use, high-efficiency, 6-A synchronous buck converters in a QFN 9-pin 1.5-mm × 2.0-mm package.

The devices operate with wider supply input voltage ranging from 3 V to 18 V. The D-CAP3 control mode is adopted to provide a fast transient response, good line and load regulation, no requirement for external compensation, and support to low-ESR output capacitors.

The TPS566231 and TPS566231P operate in Eco-mode for high efficiency during light load operation. The devices are designed as the ULQ™ DC/DC converter, achieving 50-µA quiescent current to enable long battery life in low-power applications. The TPS566238 and TPS566238P operate in continuous current mode, which maintains lower output ripple during all load conditions.

The TPS566231 and TPS566238 soft-start time can be adjusted through the SS pin. The TPS566231P and TPS566238P indicate power good through the PG pin.

The TPS56623x can support up to 98% duty cycle operation, and integrate complete protection through OVP, OCP, UVLO, OTP, and UVP with hiccup. The devices are each available in a 9-pin 1.5-mm × 2.0-mm HotRod package. The junction temperature is specified from –40°C to 125°C.

Elecena nie prowadzi sprzedaży elementów elektronicznych, ani w niej nie pośredniczy.

Produkt pochodzi z oferty sklepu