elecena.pl

USB Type-C® and SDP/CDP charge port converter with cable compensation and MFi functionality

Texas Instruments

USB Type-C® and SDP/CDP charge port converter with cable compensation and MFi functionality RSS Sample
  • Darmowa próbka
MPN:
TPS25832A-Q1
Producent:
TEXAS INSTRUMENTS
Dodany do bazy:
Ostatnio widziany:

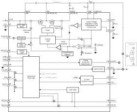
The TPS2583xA-Q1 is a USB Type-C and BC1.2 charging port controller that includes a synchronous DC/DC converter. With cable droop compensation, the VBUS voltage remains constant regardless of load current, ensuring connected portable devices charge at optimal current and voltage.

The TPS2583xA-Q1 includes high bandwidth analog switches for DP and DM pass-through.

The TPS25830A-Q1 also integrates short-to-battery protection on VBUS, CC1, CC2, DMIN and DPIN pins (up to 18-V support). The TPS25832A-Q1 does not support data line (CC and Dx) short to VBAT protection.

The synchronous buck regulator operates with current mode control and is internally compensated to simplify design. A resistor on the RT pin sets the switching frequency between 300 kHz and 2.2 MHz. Operating below 400 kHz results in better system efficiency. Operation above 2.1 MHz avoids the AM radio bands and allows for use of a smaller inductor.

The TPS2583xA-Q1 integrates standard USB Type-C port controller functionality including Configuration Channel (CC) logic for 3-A and 1.5-A current advertisement. Battery Charging (Rev. 1.2) integration provides the required electrical signatures necessary for non-Type-C, legacy USB devices which use USB data line signaling to determine USB port current sourcing capabilities.

A precision current sense amplifier is included for user programmable cable droop compensation and current limit tuning. Cable compensation aids portable devices in charging at optimum current and voltage under heavy loads by changing the buck regulator output voltage linearly with load current to counteract the voltage drop due to wire resistance in automotive cabling. The VBUS voltage measured at a connected portable device remains approximately constant, regardless of load current, allowing the portable device’s battery charger to work optimally.

The USB specifications require current limiting of USB charging ports, but give system designers reasonable flexibility to choose overcurrent protection levels based on system requirements. The TPS2583xA-Q1 uses a novel two-threshold current limit circuit allowing system designers to either program average current limit protection of the buck regulator, or optionally, current limit using an external NMOS between the CSN/OUT and BUS pins. The NFET implementation enables the TPS2583xA-Q1 buck regulator to supply a 5-V output for other loads during an overcurrent fault condition on the USB port. Also, the current limit methodology TPS2583xA-Q1 use can meet latest MFI requirement.

TPS2583xA-Q1 Integrated protection features include cycle-by-cycle current limit, hiccup short-circuit protection, undervoltage lockout, VBUS overvoltage and overcurrent, CC overvoltage and overcurrent, data line (Dx) short to VBUS and VBAT, and die overtemperature protection.

The TPS25830A-Q1 includes high bandwidth analog switches for DP and DM pass-through, and support data line (Dx and CC) short-to-VBAT protection. The TPS25832A-Q1 does not support data line (Dx and CC) short-to-VBAT protection.

Elecena nie prowadzi sprzedaży elementów elektronicznych, ani w niej nie pośredniczy.

Produkt pochodzi z oferty sklepu