IEEE 802.3bt type 3 class 1-4 PoE PD with high efficiency DC-DC control
Texas Instruments
RSS
Sample
- Darmowa próbka
- MPN:
- TPS23734
- Producent:
- TEXAS INSTRUMENTS
- Dodany do bazy:
- Ostatnio widziany:
Sugerowane produkty dla is250
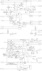
The TPS23734 device combines a Power over Ethernet (PoE) powered device (PD) interface, and a current-mode DC-DC controller optimized for flyback and active clamp forward (ACF) switching regulator designs . In the case of flyback configuration, the use of primary-side regulation (PSR) is supported. The PoE interface supports the IEEE 802.3bt and IEEE 802.3at standard s for applications needing up to 25.5 W or less at PD input.
Programmable spread spectrum frequency dithering (SSFD) is provided to minimize the size and cost of EMI filter. Advanced Startup with adjustable soft-start helps to use minimal bias capacitor while simplifying converter startup and hiccup design, also ensuring that IEEE 802.3bt /at startup requirements are met.
The soft-stop feature minimizes stress on switching power FETs , allowing FET BOM cost reduction.
The PSR feature of the DC-DC controller uses feedback from an auxiliary winding for control of the output voltage, eliminating the need for external shunt regulator and optocoupler. It is optimized for continuous conduction mode (CCM), and can work with secondary side synchronous rectification, resulting in optimum efficiency, regulation accuracy and step load response over multiple outputs.
The DC-DC controller features slope compensation and blanking. Typical switching frequency is 250 kHz.
The automatic MPS enables applications with low power modes or multiple power feeds. It automatically adjusts its pulsed current amplitude and duration according to PSE Type and system conditions, to maintain power while minimizing consumption.
Elecena nie prowadzi sprzedaży elementów elektronicznych, ani w niej nie pośredniczy.
Produkt pochodzi z oferty sklepu Texas Instruments