elecena.pl

Automotive 8-bit serial-in/parallel-out shift register

Texas Instruments

Automotive 8-bit serial-in/parallel-out shift register RSS Sample
  • Darmowa próbka
MPN:
SN74HCS596-Q1
Producent:
TEXAS INSTRUMENTS
Dodany do bazy:
Ostatnio widziany:

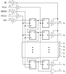
The SN74HCS596-Q1 device contains an 8-bit, serial-in, parallel-out shift register that feeds an 8-bit D-type storage register. All inputs include Schmitt-triggers, eliminating any erroneous data outputs due to slow-edged or noisy input signals. The storage register has parallel open-drain outputs. Separate clocks are provided for both the shift and storage register. The shift register has a direct overriding clear (SRCLR) input, serial (SER) input, and a serial output (QH’) for cascading. When the output-enable (OE) input is high, the outputs are in a high-impedance state. Internal register data is not impacted by the operation of the OE input.

Elecena nie prowadzi sprzedaży elementów elektronicznych, ani w niej nie pośredniczy.

Produkt pochodzi z oferty sklepu