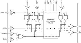
8-bit parallel-load shift registers with Schmitt-trigger inputs
Texas Instruments
RSS
Sample
Przejdź do sklepu »
- Darmowa próbka
- MPN:
- SN74HCS165
- Producent:
- TEXAS INSTRUMENTS
- Dodany do bazy:
- Ostatnio widziany:
Sugerowane produkty dla sn74hcs165
The SN74HCS165 is a parallel- or serial-in, serial-out 8-bit shift register with Schmitt-trigger inputs.
Elecena nie prowadzi sprzedaży elementów elektronicznych, ani w niej nie pośredniczy.
Produkt pochodzi z oferty sklepu Texas Instruments