elecena.pl

AISG® 3.0 on and off keying coax modem transceiver with wide temperature range

Texas Instruments

AISG® 3.0 on and off keying coax modem transceiver with wide temperature range RSS Sample
  • Darmowa próbka
MPN:
SN65HVD64
Producent:
TEXAS INSTRUMENTS
Dodany do bazy:
Ostatnio widziany:

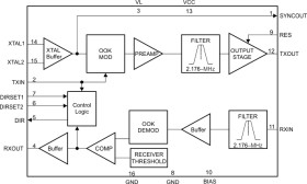
The SN65HVD64 transceiver modulates and demodulates signals between a logic (baseband) interface and a frequency suitable for long coaxial media, to facilitate wired data transfer among radio equipment.

The SN65HVD64 device is an integrated AISG transceiver designed to meet the requirements of the Antenna Interface Standards Group v2.0 and v3.0 specification.

The SN65HVD64 receiver integrates an active bandpass filter to enable demodulation of signals even in the presence of spurious frequency components. The filter has a 2.176-MHz center frequency.

The transmitter supports adjustable output power levels from 0 dBm to 6 dBm delivered to the 50-Ω coax cable. The SN65HVD64 transmitter is compliant with the spectrum emission requirement provided by the AISG standard.

A direction control output facilitates bus arbitration for an RS-485 interface. This device integrates an oscillator input for a crystal, and also accepts standard clock inputs to the oscillator.

Elecena nie prowadzi sprzedaży elementów elektronicznych, ani w niej nie pośredniczy.

Produkt pochodzi z oferty sklepu