Radiation-tolerant, four-channel, two-input 1.2-V to 5.5-V XOR gate with integrated level shifter
Texas Instruments
RSS
Sample
- Darmowa próbka
- MPN:
- SN54SC4T86-SEP
- Producent:
- TEXAS INSTRUMENTS
- Dodany do bazy:
- Ostatnio widziany:
Sugerowane produkty dla sn54sc4t86
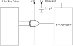
The SN54SC4T86-SEP contains four independent 2-input XOR Gates with Schmitt-trigger inputs with extended voltage operation to allow for level translation. Each gate performs the Boolean function Y = A ⊕ B in positive logic. The output level is referenced to the supply voltage (V CC) and supports 1.2-V, 1.8-V, 2.5-V, 3.3-V, and 5-V CMOS levels.
The input is designed with a lower threshold circuit to support up translation for lower voltage CMOS inputs (for example 1.2 V input to 1.8 V output or 1.8 V input to 3.3 V output). Additionally, the 5-V tolerant input pins enable down translation (for example 3.3 V to 2.5 V output).
Elecena nie prowadzi sprzedaży elementów elektronicznych, ani w niej nie pośredniczy.
Produkt pochodzi z oferty sklepu Texas Instruments